Toggle menu
FREE shipping over $500
877-365-5625
  • 0
  • Gift Certificates
    Wishlist
  • Lock Depot Inc
    Reset Search ×
    • 0
    Reset Search ×

      Shop By Category

    • Locks
      • Cabinet Lock
        • Hes Cabinet Lock
        • RCI Cabinet Lock
        • Olympus Cabinet Lock
      • Mortise Lock
        • Arrow BM Levers
        • Best 40H Series
        • Best 40HW Electromechanical Series
        • Best 45H Series
        • Corbin Russwin ML2000 Series
        • Falcon MA Series
        • Sargent 8200 Series
        • Schlage L Series
        • SDC Z7800 Electric Lever Lockset
        • Stanley Mortise Lock
        • TownSteel Electrified Escutcheon Lock
        • TownSteel Electrified Sectional Lock
        • TownSteel Heavy Duty Anti-Ligature Locks
        • TownSteel Ligature Resistant Locks
        • TownSteel MSE Series
        • TownSteel MSS Series
        • Yale 8800 Series
      • Deadbolts
        • Adams Rite Deadbolts
        • Best 48H Deadlocks
        • Best T Series Tubular Deadbolts
        • Corbin Cylindrical Deadlocks
        • Corbin Mortise Deadlocks
        • Dynalock
        • Falcon Deadbolts
        • Sargent Deadbolt Lock
        • Schlage B500 Series
        • Stanley Deadbolt Lock
        • Adams Rite Deadlatches
        • Adams Rite Deadlocks
        • Alarm Lock
        • Arrow Lock
        • Schlage B250 Series
        • E Series Deadbolt
        • Schlage B600 Series
      • Keyless Locks
        • Electronic
        • Mechanical
      • Knobs
        • Arrow CK Series
        • Arrow MK Knobs
        • Best 6K Series
        • Best 8K Series
        • Corbin Cylindrical Knob Lock
        • Falcon W Series
        • Falcon X Series
        • Sargent 6 Line Series
        • Schlage A Series
        • Schlage D Series
        • Schlage F Series
      • Levers
        • Arrow APL Series
        • Arrow CL Series
        • Arrow MLX Series
        • Centrios Lock
        • Arrow QL Series
        • Schlage AL Series
        • Stanley Interconnected Lock
        • Stanley Tubular Lock
        • Falcon B Series
        • Yale 4600LN Series
        • Falcon K Series
        • Falcon T Series
        • Falcon W Series
        • Sargent Bored Locks
        • Stanley Cylindrical Lock
        • Arrow RL Series
        • Best 9K Series
        • Best 9KW Series
        • Best 7KC Series
        • Corbin Cylindrical Lock
        • Adams Rite Trim
        • Schlage F Series
        • Schlage ND Series
        • Schlage S200 Series
        • Yale 4700LN Series
        • Yale 5300LN Series
        • Yale 5400LN Series
    • Electronics
      • Alarm Hardware
        • Adams Rite
        • Alarm Lock
        • ASP Alarm Control
        • Detex
        • Trine
        • Von Duprin
      • Electric Strike
        • Adams Rite Electric Strike
        • Dynalock Electric Strike
        • Folger Adam Electric Strike
        • SDC Electric Strike
        • RCI Electric Strike
        • Hes Electric Strike
        • Securitron Electric Strike
        • Trine Electric Strike
        • Von Duprin Electric Strike
        • Von Duprin Monitor Strike
      • Keypads & Readers
        • Alarm Lock Keypad
        • Dynalock 7000 Series Keyswitch
        • Dynalock 9200 Series Door Status Switches
        • Dynalock 9250 Series Door Status Switches
        • Dynalock Digital Keypads
        • iei
        • SDC EntryCheck
        • RCI Keypad & Prox Readers
        • SecuraKey
        • Securitron Keypad
        • Securitron Keyswitches
        • Visonic
      • Magnetic Lock
        • Alarm Lock
        • Dyna Electromagnetic Door Holders
        • Dyna Electromagnetic Lock
        • Rutherford Controls (RCI) Mag Locks
        • SDC EM Locks
        • SDC Mortise Bolt Lock
        • Securitron MagLocks
      • Power Supplies
        • Adams Rite Power Supply
        • Altronix
        • Dynalock Power Supply
        • LockState
        • Von Duprin Base Power Supply
        • Alarm Lock Power Supply
        • iei Electronics Power Supply
        • Rutherford Controls (RCI) Power Supply
        • Securitron Power Supply
        • Securitron Power Transfers
        • Trine Power Supply
        • Von Duprin Power Supply
      • Push Buttons
        • Dynalock Pushbutton
        • RCI Switches & Push Buttons
        • Securitron Push Buttons
        • Trine Push Buttons
    • Exit Devices
      • Adams Rite Exit Device
        • Adams Rite 3100 series
        • Adams Rite 3100T series
        • Adams Rite 3100W series
        • Adams Rite 3111 series
        • Adams Rite 3111T series
        • Adams Rite 3111W series
        • Adams Rite 3122 series
        • Adams Rite 3122T series
        • Adams Rite 3122W series
        • Adams Rite 3133 series
        • Adams Rite 3133T series
        • Adams Rite 3133W series
        • Adams Rite 3300 series
        • Adams Rite 3310 series
        • Adams Rite 3320 series
        • Adams Rite 3330 series
        • Adams Rite 3600 series
        • Adams Rite 3600T series
        • Adams Rite 3611 series
        • Adams Rite 3611T series
        • Adams Rite 3622 series
        • Adams Rite 3622T series
        • Adams Rite 3633 series
        • Adams Rite 3633T series
        • Adams Rite 3700 series
        • Adams Rite 3701 series
        • Adams Rite 3702 series
        • Adams Rite 3703 series
        • Adams Rite 3900 series
        • Adams Rite 3900W series
        • Adams Rite 3911 series
        • Adams Rite 3911W series
        • Adams Rite 3922 series
        • Adams Rite 3922W series
        • Adams Rite 3933 series
        • Adams Rite 3933W series
        • Adams Rite 8100 series
        • Adams Rite 8100T series
        • Adams Rite 8111 series
        • Adams Rite 8111T series
        • Adams Rite 8122 series
        • Adams Rite 8122T series
        • Adams Rite 8133 series
        • Adams Rite 8133T series
        • Adams Rite 8200 series
        • Adams Rite 8200T series
        • Adams Rite 8211 series
        • Adams Rite 8211T series
        • Adams Rite 8222 series
        • Adams Rite 8222T series
        • Adams Rite 8233 series
        • Adams Rite 8233T series
        • Adams Rite 8300 series
        • Adams Rite 8312 series
        • Adams Rite 8322 series
        • Adams Rite 8332 series
        • Adams Rite 8400 series
        • Adams Rite 8404 series
        • Adams Rite 8410 series
        • Adams Rite 8414 series
        • Adams Rite 8420 series
        • Adams Rite 8424 series
        • Adams Rite 8430 series
        • Adams Rite 8434 series
        • Adams Rite 8500 series
        • Adams Rite 8500T series
        • Adams Rite 8511 series
        • Adams Rite 8511T series
        • Adams Rite 8522 series
        • Adams Rite 8522T series
        • Adams Rite 8533 series
        • Adams Rite 8533T series
        • Adams Rite 8600 series
        • Adams Rite 8600T series
        • Adams Rite 8611 series
        • Adams Rite 8611T series
        • Adams Rite 8622 series
        • Adams Rite 8622T series
        • Adams Rite 8633 series
        • Adams Rite 8633T series
        • Adams Rite 8700 series
        • Adams Rite 8701 series
        • Adams Rite 8702 series
        • Adams Rite 8703 series
        • Adams Rite 8800 series
        • Adams Rite 8801 series
        • Adams Rite 8802 series
        • Adams Rite 8803 series
        • Adams Rite 8900 series
        • Adams Rite 8900W series
        • Adams Rite 8911 series
        • Adams Rite 8911W series
        • Adams Rite 8922 series
        • Adams Rite 8922W series
        • Adams Rite 8933 series
        • Adams Rite 8933W series
      • Sargent Exit Device
        • Sargent 20 Series Exit Device
        • Sargent 30 Series Exit Device
        • Sargent 80 Series Exit Device
        • Sargent 90 Series Exit Device
      • Falcon Exit Device
        • 24 Series
        • Exit Device Parts
        • XX Series
        • 25 Series
        • Falcon Trim
      • Corbin Russwin Exit Device
        • Corbin 5200 Series Fire Rated Rim Exit Device
        • Corbin 5200 Series Rim Exit Device
        • Corbin 5200S Fire Rated SecureBolt Exit Device
        • Corbin 5200S Series SecureBolt Exit Device
        • Corbin ED4000 Series Exit Trims
        • Corbin ED4200 Series Rim Exit Device
        • Corbin ED4200 Series SecureBolt Exit Device
        • Corbin ED4400 Series Vertical Rod Device
        • Corbin ED4800 Series Concealed Vertical Rod Device
        • Corbin ED5000 Series Exit Trims
        • Corbin ED5400 Fire Rated Vertical Rod Exit Device
        • Corbin ED5400 Surface Vertical Rod Exit Device
        • Corbin ED5470 Surface Vertical Rod Exit Device
        • Corbin ED5470B Fire Rated Vertical Rod Exit Device
        • Corbin ED5600 Fire Rated Mortise Exit Device
        • Corbin ED5600 Mortise Exit Device
        • Corbin ED5800 Concealed Vertical Rod Exit Device
        • Corbin ED5800 Fire Rated Concealed Rod Device
        • Corbin ED5800 Fire Rated Vertical Rod Exit Device
      • Securitron Exit Bars and Devices
        • DSB Series
        • EMB Series
        • EMH Series
        • SP-1 Series
        • TSB Series
        • TSH Series
        • XMS Series
      • PHI Exit Device
        • PHI 2100 Series Exit Device
        • PHI 2200 Series Exit Device
        • PHI 2300 Series Exit Device
        • PHI 2400 Series Exit Device
        • PHI 2600 Series Exit Device
        • PHI 2700 Series Exit Device
        • PHI 2800 Series Exit Device
        • PHI 5100 Series Exit Device
        • PHI 5200 Series Exit Device
        • PHI Exit Device Trims
      • Von Duprin Exit Device
        • 22 Series
        • 78 Series
        • 55 Series
        • 33A Series
        • 35A Series
        • 88 Series
        • 94 Series
        • 95 Series
        • 98 Series
        • 99 Series
        • XP98 Series
        • XP99 Series
        • Trim
        • Parts and Accessories
      • Yale Exit Device
        • Yale 7100 Series Fire Rated Rim Exit Device
        • Yale 7100 Series Rim Exit Device
        • Yale 7110 Series Surface Vertical Rod Exit Device
        • Yale 7110F Surface Fire Rated Vertical Rod Device
        • Yale 7120 Series Concealed Vertical Rod Device
        • Yale 7120F Fire Rated Concealed Rod Exit Device
        • Yale 7150 Series SquareBolt Exit Device
        • Yale 7150F Series Fire Rated SquareBolt Device
      • Stanley Exit Device
        • Stanley Exit Trims
        • Stanley QED100 Series
        • Stanley QED200 Series
      • Dynalock Exit Sensor Bar
    • Hardware
      • Cylinders
        • Adams Rite Cylinders
        • Deadlock Cylinder
        • Key in Lever Cylinder
        • Guard Collar
        • Mortise Cylinder
        • Plug
        • Removable Core
        • Rim Cylinder
        • Schalge Key blank
      • Push & Pull Latch
        • Glynn Johnson HL6 Push and Pull Latch
        • Ives Door Pull
        • Glynn Johnson HL6 Push and Pull with Mortise Lock
        • Glynn Johnson PL7 Push Side Thumbturn
        • Glynn Johnson PL8 Pull Side Thumbturn
      • Door Closers
        • Dorma
        • LCN
        • Rixson Door Closer
        • Norton Door Closer
        • Corbin Door Closers
        • Stanley Door Closers
        • Sargent Door Closer
        • Yale Door Closers
      • Faceplates
        • Adams Rite Faceplate
        • Hes Faceplate
      • Strike Plates
        • Don Jo Strike Plates
        • Dynalock 4000 Series Filler Plates
      • Push & Pull Plate
        • Ives Door Push & Pull Plates
      • Flushbolt
        • Adams Rite 1870 series
        • Adams Rite 1870HM series
        • Adams Rite 1871 series
        • Adams Rite 1871W series
        • Adams Rite 1872 series
        • Adams Rite 1877 series
        • Adams Rite MS1880 series
        • Adams Rite MS1881 series
        • Adams Rite MS2180 series
        • Adams Rite MS2181 series
        • Adams Rite MS2182 series
      • Gate Box
      • Gate Lock
      • Hinges
        • Bommer
        • Don Jo
        • Ives
        • Soss
        • Stanley
      • Holders & Stops
        • Glynn Johnson 100 Series
        • Glynn Johnson 280 Sensaguard
        • Glynn Johnson 410 Series
        • Glynn Johnson 450 Series
        • Glynn Johnson 70 Series
        • Glynn Johnson 79 Series
        • Glynn Johnson 81 Series
        • Glynn Johnson 90 Series
      • Pivots
        • Ives Pivots
      • Key Cabinet
        • LockState
        • Master Lock
        • Supra (GE Security)
      • Kick Plate
        • Ives Protection Plates
      • Lock Box
        • Master Lock
        • Supra (GE Security)
      • Padlocks
        • Master Lock
      • Tools
        • Pin Kit
        • Safe Key
      • Misc
    • Safes
      • Burgulary Safe
        • Amsec
        • Protex Safe
      • Cash Box
        • Amsec
        • Master Lock
      • Closet Safe
        • LockState
      • Depository Safe
        • Protex Safe
      • Drop Box
        • Protex Safe
      • Fingerprint Safe
        • LockState
        • Protex Safe
      • Fire Proof
        • LockState
        • Protex Safe
      • Floor Safe
        • Amsec
      • Hotel Safe
        • Amsec
        • LockState
        • Protex Safe
      • Media Safe
      • Misc
      • Pistol Safe
        • Amsec
        • LockState
        • V-Line
      • Wall Safe
        • Amsec
        • Fingerprint
        • LockState
        • V-Line
    • Key Machine
      • Automatic Machine
        • HPC
        • Kaba Ilco
      • Manual Machine
        • Kaba Ilco
      • Parts
      • Punch Machine
      • Semi-Automatic Machine
        • Bravo
        • HPC
        • Kaba Ilco
      • Tubular Machine
    • Shop By Brand

    • Corbin Russwin
    • Best
    • Schlage
    • Stanley Hardware
    • Rixson
    • Falcon
    • Von Duprin
    • Yale
    • PHI
    • Adams Rite
    • View all Brands
    • Main Menu

    • Shop by Brand
    • About us
    • Shipping & Returns
    • Contact Us
    • Gift Certificates
    • Login or Sign Up

    HardwareDoor Hardware

    Shop by Category

  • Locks

    Locks

    • Cabinet Lock
      • All Cabinet Lock
      • Hes Cabinet Lock
      • RCI Cabinet Lock
      • Olympus Cabinet Lock
      • View All
    • Mortise Lock
      • All Mortise Lock
      • Arrow BM Levers
      • Best 40H Series
      • Best 40HW Electromechanical Series
      • Best 45H Series
      • Corbin Russwin ML2000 Series
      • Falcon MA Series
      • Sargent 8200 Series
      • Schlage L Series
      • SDC Z7800 Electric Lever Lockset
      • Stanley Mortise Lock
      • TownSteel Electrified Escutcheon Lock
      • TownSteel Electrified Sectional Lock
      • TownSteel Heavy Duty Anti-Ligature Locks
      • TownSteel Ligature Resistant Locks
      • TownSteel MSE Series
      • TownSteel MSS Series
      • Yale 8800 Series
      • View All
    • Deadbolts
      • All Deadbolts
      • Adams Rite Deadbolts
      • Best 48H Deadlocks
      • Best T Series Tubular Deadbolts
      • Corbin Cylindrical Deadlocks
      • Corbin Mortise Deadlocks
      • Dynalock
      • Falcon Deadbolts
      • Sargent Deadbolt Lock
      • Schlage B500 Series
      • Stanley Deadbolt Lock
      • Adams Rite Deadlatches
      • Adams Rite Deadlocks
      • Alarm Lock
      • Arrow Lock
      • Schlage B250 Series
      • E Series Deadbolt
      • Schlage B600 Series
      • View All
    • Keyless Locks
      • All Keyless Locks
      • Electronic
      • Mechanical
      • View All
    • Knobs
      • All Knobs
      • Arrow CK Series
      • Arrow MK Knobs
      • Best 6K Series
      • Best 8K Series
      • Corbin Cylindrical Knob Lock
      • Falcon W Series
      • Falcon X Series
      • Sargent 6 Line Series
      • Schlage A Series
      • Schlage D Series
      • Schlage F Series
      • View All
    • Levers
      • All Levers
      • Arrow APL Series
      • Arrow CL Series
      • Arrow MLX Series
      • Centrios Lock
      • Arrow QL Series
      • Schlage AL Series
      • Stanley Interconnected Lock
      • Stanley Tubular Lock
      • Falcon B Series
      • Yale 4600LN Series
      • Falcon K Series
      • Falcon T Series
      • Falcon W Series
      • Sargent Bored Locks
      • Stanley Cylindrical Lock
      • Arrow RL Series
      • Best 9K Series
      • Best 9KW Series
      • Best 7KC Series
      • Corbin Cylindrical Lock
      • Adams Rite Trim
      • Schlage F Series
      • Schlage ND Series
      • Schlage S200 Series
      • Yale 4700LN Series
      • Yale 5300LN Series
      • Yale 5400LN Series
      • View All
  • Electronics

    Electronics

    • Alarm Hardware
      • All Alarm Hardware
      • Adams Rite
      • Alarm Lock
      • ASP Alarm Control
      • Detex
      • Trine
      • Von Duprin
      • View All
    • Electric Strike
      • All Electric Strike
      • Adams Rite Electric Strike
      • Dynalock Electric Strike
      • Folger Adam Electric Strike
      • SDC Electric Strike
      • RCI Electric Strike
      • Hes Electric Strike
      • Securitron Electric Strike
      • Trine Electric Strike
      • Von Duprin Electric Strike
      • Von Duprin Monitor Strike
      • View All
    • Keypads & Readers
      • All Keypads & Readers
      • Alarm Lock Keypad
      • Dynalock 7000 Series Keyswitch
      • Dynalock 9200 Series Door Status Switches
      • Dynalock 9250 Series Door Status Switches
      • Dynalock Digital Keypads
      • iei
      • SDC EntryCheck
      • RCI Keypad & Prox Readers
      • SecuraKey
      • Securitron Keypad
      • Securitron Keyswitches
      • Visonic
      • View All
    • Magnetic Lock
      • All Magnetic Lock
      • Alarm Lock
      • Dyna Electromagnetic Door Holders
      • Dyna Electromagnetic Lock
      • Rutherford Controls (RCI) Mag Locks
      • SDC EM Locks
      • SDC Mortise Bolt Lock
      • Securitron MagLocks
      • View All
    • Power Supplies
      • All Power Supplies
      • Adams Rite Power Supply
      • Altronix
      • Dynalock Power Supply
      • LockState
      • Von Duprin Base Power Supply
      • Alarm Lock Power Supply
      • iei Electronics Power Supply
      • Rutherford Controls (RCI) Power Supply
      • Securitron Power Supply
      • Securitron Power Transfers
      • Trine Power Supply
      • Von Duprin Power Supply
      • View All
    • Push Buttons
      • All Push Buttons
      • Dynalock Pushbutton
      • RCI Switches & Push Buttons
      • Securitron Push Buttons
      • Trine Push Buttons
      • View All
  • Exit Devices

    Exit Devices

    • Adams Rite Exit Device
      • All Adams Rite Exit Device
      • Adams Rite 3100 series
      • Adams Rite 3100T series
      • Adams Rite 3100W series
      • Adams Rite 3111 series
      • Adams Rite 3111T series
      • Adams Rite 3111W series
      • Adams Rite 3122 series
      • Adams Rite 3122T series
      • Adams Rite 3122W series
      • Adams Rite 3133 series
      • Adams Rite 3133T series
      • Adams Rite 3133W series
      • Adams Rite 3300 series
      • Adams Rite 3310 series
      • Adams Rite 3320 series
      • Adams Rite 3330 series
      • Adams Rite 3600 series
      • Adams Rite 3600T series
      • Adams Rite 3611 series
      • Adams Rite 3611T series
      • Adams Rite 3622 series
      • Adams Rite 3622T series
      • Adams Rite 3633 series
      • Adams Rite 3633T series
      • Adams Rite 3700 series
      • Adams Rite 3701 series
      • Adams Rite 3702 series
      • Adams Rite 3703 series
      • Adams Rite 3900 series
      • Adams Rite 3900W series
      • Adams Rite 3911 series
      • Adams Rite 3911W series
      • Adams Rite 3922 series
      • Adams Rite 3922W series
      • Adams Rite 3933 series
      • Adams Rite 3933W series
      • Adams Rite 8100 series
      • Adams Rite 8100T series
      • Adams Rite 8111 series
      • Adams Rite 8111T series
      • Adams Rite 8122 series
      • Adams Rite 8122T series
      • Adams Rite 8133 series
      • Adams Rite 8133T series
      • Adams Rite 8200 series
      • Adams Rite 8200T series
      • Adams Rite 8211 series
      • Adams Rite 8211T series
      • Adams Rite 8222 series
      • Adams Rite 8222T series
      • Adams Rite 8233 series
      • Adams Rite 8233T series
      • Adams Rite 8300 series
      • Adams Rite 8312 series
      • Adams Rite 8322 series
      • Adams Rite 8332 series
      • Adams Rite 8400 series
      • Adams Rite 8404 series
      • Adams Rite 8410 series
      • Adams Rite 8414 series
      • Adams Rite 8420 series
      • Adams Rite 8424 series
      • Adams Rite 8430 series
      • Adams Rite 8434 series
      • Adams Rite 8500 series
      • Adams Rite 8500T series
      • Adams Rite 8511 series
      • Adams Rite 8511T series
      • Adams Rite 8522 series
      • Adams Rite 8522T series
      • Adams Rite 8533 series
      • Adams Rite 8533T series
      • Adams Rite 8600 series
      • Adams Rite 8600T series
      • Adams Rite 8611 series
      • Adams Rite 8611T series
      • Adams Rite 8622 series
      • Adams Rite 8622T series
      • Adams Rite 8633 series
      • Adams Rite 8633T series
      • Adams Rite 8700 series
      • Adams Rite 8701 series
      • Adams Rite 8702 series
      • Adams Rite 8703 series
      • Adams Rite 8800 series
      • Adams Rite 8801 series
      • Adams Rite 8802 series
      • Adams Rite 8803 series
      • Adams Rite 8900 series
      • Adams Rite 8900W series
      • Adams Rite 8911 series
      • Adams Rite 8911W series
      • Adams Rite 8922 series
      • Adams Rite 8922W series
      • Adams Rite 8933 series
      • Adams Rite 8933W series
      • View All
    • Sargent Exit Device
      • All Sargent Exit Device
      • Sargent 20 Series Exit Device
      • Sargent 30 Series Exit Device
      • Sargent 80 Series Exit Device
      • Sargent 90 Series Exit Device
      • View All
    • Falcon Exit Device
      • All Falcon Exit Device
      • 24 Series
      • Exit Device Parts
      • XX Series
      • 25 Series
      • Falcon Trim
      • View All
    • Corbin Russwin Exit Device
      • All Corbin Russwin Exit Device
      • Corbin 5200 Series Fire Rated Rim Exit Device
      • Corbin 5200 Series Rim Exit Device
      • Corbin 5200S Fire Rated SecureBolt Exit Device
      • Corbin 5200S Series SecureBolt Exit Device
      • Corbin ED4000 Series Exit Trims
      • Corbin ED4200 Series Rim Exit Device
      • Corbin ED4200 Series SecureBolt Exit Device
      • Corbin ED4400 Series Vertical Rod Device
      • Corbin ED4800 Series Concealed Vertical Rod Device
      • Corbin ED5000 Series Exit Trims
      • Corbin ED5400 Fire Rated Vertical Rod Exit Device
      • Corbin ED5400 Surface Vertical Rod Exit Device
      • Corbin ED5470 Surface Vertical Rod Exit Device
      • Corbin ED5470B Fire Rated Vertical Rod Exit Device
      • Corbin ED5600 Fire Rated Mortise Exit Device
      • Corbin ED5600 Mortise Exit Device
      • Corbin ED5800 Concealed Vertical Rod Exit Device
      • Corbin ED5800 Fire Rated Concealed Rod Device
      • Corbin ED5800 Fire Rated Vertical Rod Exit Device
      • View All
    • Securitron Exit Bars and Devices
      • All Securitron Exit Bars and Devices
      • DSB Series
      • EMB Series
      • EMH Series
      • SP-1 Series
      • TSB Series
      • TSH Series
      • XMS Series
      • View All
    • PHI Exit Device
      • All PHI Exit Device
      • PHI 2100 Series Exit Device
      • PHI 2200 Series Exit Device
      • PHI 2300 Series Exit Device
      • PHI 2400 Series Exit Device
      • PHI 2600 Series Exit Device
      • PHI 2700 Series Exit Device
      • PHI 2800 Series Exit Device
      • PHI 5100 Series Exit Device
      • PHI 5200 Series Exit Device
      • PHI Exit Device Trims
      • View All
    • Von Duprin Exit Device
      • All Von Duprin Exit Device
      • 22 Series
      • 78 Series
      • 55 Series
      • 33A Series
      • 35A Series
      • 88 Series
      • 94 Series
      • 95 Series
      • 98 Series
      • 99 Series
      • XP98 Series
      • XP99 Series
      • Trim
      • Parts and Accessories
      • View All
    • Yale Exit Device
      • All Yale Exit Device
      • Yale 7100 Series Fire Rated Rim Exit Device
      • Yale 7100 Series Rim Exit Device
      • Yale 7110 Series Surface Vertical Rod Exit Device
      • Yale 7110F Surface Fire Rated Vertical Rod Device
      • Yale 7120 Series Concealed Vertical Rod Device
      • Yale 7120F Fire Rated Concealed Rod Exit Device
      • Yale 7150 Series SquareBolt Exit Device
      • Yale 7150F Series Fire Rated SquareBolt Device
      • View All
    • Stanley Exit Device
      • All Stanley Exit Device
      • Stanley Exit Trims
      • Stanley QED100 Series
      • Stanley QED200 Series
      • View All
    • Dynalock Exit Sensor Bar
  • Hardware

    Hardware

    • Cylinders
      • All Cylinders
      • Adams Rite Cylinders
      • Deadlock Cylinder
      • Key in Lever Cylinder
      • Guard Collar
      • Mortise Cylinder
      • Plug
      • Removable Core
      • Rim Cylinder
      • Schalge Key blank
      • View All
    • Push & Pull Latch
      • All Push & Pull Latch
      • Glynn Johnson HL6 Push and Pull Latch
      • Ives Door Pull
      • Glynn Johnson HL6 Push and Pull with Mortise Lock
      • Glynn Johnson PL7 Push Side Thumbturn
      • Glynn Johnson PL8 Pull Side Thumbturn
      • View All
    • Door Closers
      • All Door Closers
      • Dorma
      • LCN
      • Rixson Door Closer
      • Norton Door Closer
      • Corbin Door Closers
      • Stanley Door Closers
      • Sargent Door Closer
      • Yale Door Closers
      • View All
    • Faceplates
      • All Faceplates
      • Adams Rite Faceplate
      • Hes Faceplate
      • View All
    • Strike Plates
      • All Strike Plates
      • Don Jo Strike Plates
      • Dynalock 4000 Series Filler Plates
      • View All
    • Push & Pull Plate
      • All Push & Pull Plate
      • Ives Door Push & Pull Plates
      • View All
    • Flushbolt
      • All Flushbolt
      • Adams Rite 1870 series
      • Adams Rite 1870HM series
      • Adams Rite 1871 series
      • Adams Rite 1871W series
      • Adams Rite 1872 series
      • Adams Rite 1877 series
      • Adams Rite MS1880 series
      • Adams Rite MS1881 series
      • Adams Rite MS2180 series
      • Adams Rite MS2181 series
      • Adams Rite MS2182 series
      • View All
    • Gate Box
    • Gate Lock
    • Hinges
      • All Hinges
      • Bommer
      • Don Jo
      • Ives
      • Soss
      • Stanley
      • View All
    • Holders & Stops
      • All Holders & Stops
      • Glynn Johnson 100 Series
      • Glynn Johnson 280 Sensaguard
      • Glynn Johnson 410 Series
      • Glynn Johnson 450 Series
      • Glynn Johnson 70 Series
      • Glynn Johnson 79 Series
      • Glynn Johnson 81 Series
      • Glynn Johnson 90 Series
      • View All
    • Pivots
      • All Pivots
      • Ives Pivots
      • View All
    • Key Cabinet
      • All Key Cabinet
      • LockState
      • Master Lock
      • Supra (GE Security)
      • View All
    • Kick Plate
      • All Kick Plate
      • Ives Protection Plates
      • View All
    • Lock Box
      • All Lock Box
      • Master Lock
      • Supra (GE Security)
      • View All
    • Padlocks
      • All Padlocks
      • Master Lock
      • View All
    • Tools
      • All Tools
      • Pin Kit
      • Safe Key
      • View All
    • Misc
  • Safes

    Safes

    • Burgulary Safe
      • All Burgulary Safe
      • Amsec
      • Protex Safe
      • View All
    • Cash Box
      • All Cash Box
      • Amsec
      • Master Lock
      • View All
    • Closet Safe
      • All Closet Safe
      • LockState
      • View All
    • Depository Safe
      • All Depository Safe
      • Protex Safe
      • View All
    • Drop Box
      • All Drop Box
      • Protex Safe
      • View All
    • Fingerprint Safe
      • All Fingerprint Safe
      • LockState
      • Protex Safe
      • View All
    • Fire Proof
      • All Fire Proof
      • LockState
      • Protex Safe
      • View All
    • Floor Safe
      • All Floor Safe
      • Amsec
      • View All
    • Hotel Safe
      • All Hotel Safe
      • Amsec
      • LockState
      • Protex Safe
      • View All
    • Media Safe
    • Misc
    • Pistol Safe
      • All Pistol Safe
      • Amsec
      • LockState
      • V-Line
      • View All
    • Wall Safe
      • All Wall Safe
      • Amsec
      • Fingerprint
      • LockState
      • V-Line
      • View All
  • Key Machine

    Key Machine

    • Automatic Machine
      • All Automatic Machine
      • HPC
      • Kaba Ilco
      • View All
    • Manual Machine
      • All Manual Machine
      • Kaba Ilco
      • View All
    • Parts
    • Punch Machine
    • Semi-Automatic Machine
      • All Semi-Automatic Machine
      • Bravo
      • HPC
      • Kaba Ilco
      • View All
    • Tubular Machine

  • Shop by Brand

  • Corbin Russwin
  • Best
  • Schlage
  • Stanley Hardware
  • Rixson
  • Falcon
  • Von Duprin
  • Yale
  • PHI
  • Adams Rite
  • View all Brands
    • Main Menu

    • Shop by Brand
    • About us
    • Shipping & Returns
    • Contact Us
    • Shop By Category

    • Locks
      • Cabinet Lock
        • Hes Cabinet Lock
        • RCI Cabinet Lock
        • Olympus Cabinet Lock
      • Mortise Lock
        • Arrow BM Levers
        • Best 40H Series
        • Best 40HW Electromechanical Series
        • Best 45H Series
        • Corbin Russwin ML2000 Series
        • Falcon MA Series
        • Sargent 8200 Series
        • Schlage L Series
        • SDC Z7800 Electric Lever Lockset
        • Stanley Mortise Lock
        • TownSteel Electrified Escutcheon Lock
        • TownSteel Electrified Sectional Lock
        • TownSteel Heavy Duty Anti-Ligature Locks
        • TownSteel Ligature Resistant Locks
        • TownSteel MSE Series
        • TownSteel MSS Series
        • Yale 8800 Series
      • Deadbolts
        • Adams Rite Deadbolts
        • Best 48H Deadlocks
        • Best T Series Tubular Deadbolts
        • Corbin Cylindrical Deadlocks
        • Corbin Mortise Deadlocks
        • Dynalock
        • Falcon Deadbolts
        • Sargent Deadbolt Lock
        • Schlage B500 Series
        • Stanley Deadbolt Lock
        • Adams Rite Deadlatches
        • Adams Rite Deadlocks
        • Alarm Lock
        • Arrow Lock
        • Schlage B250 Series
        • E Series Deadbolt
        • Schlage B600 Series
      • Keyless Locks
        • Electronic
        • Mechanical
      • Knobs
        • Arrow CK Series
        • Arrow MK Knobs
        • Best 6K Series
        • Best 8K Series
        • Corbin Cylindrical Knob Lock
        • Falcon W Series
        • Falcon X Series
        • Sargent 6 Line Series
        • Schlage A Series
        • Schlage D Series
        • Schlage F Series
      • Levers
        • Arrow APL Series
        • Arrow CL Series
        • Arrow MLX Series
        • Centrios Lock
        • Arrow QL Series
        • Schlage AL Series
        • Stanley Interconnected Lock
        • Stanley Tubular Lock
        • Falcon B Series
        • Yale 4600LN Series
        • Falcon K Series
        • Falcon T Series
        • Falcon W Series
        • Sargent Bored Locks
        • Stanley Cylindrical Lock
        • Arrow RL Series
        • Best 9K Series
        • Best 9KW Series
        • Best 7KC Series
        • Corbin Cylindrical Lock
        • Adams Rite Trim
        • Schlage F Series
        • Schlage ND Series
        • Schlage S200 Series
        • Yale 4700LN Series
        • Yale 5300LN Series
        • Yale 5400LN Series
    • Electronics
      • Alarm Hardware
        • Adams Rite
        • Alarm Lock
        • ASP Alarm Control
        • Detex
        • Trine
        • Von Duprin
      • Electric Strike
        • Adams Rite Electric Strike
        • Dynalock Electric Strike
        • Folger Adam Electric Strike
        • SDC Electric Strike
        • RCI Electric Strike
        • Hes Electric Strike
        • Securitron Electric Strike
        • Trine Electric Strike
        • Von Duprin Electric Strike
        • Von Duprin Monitor Strike
      • Keypads & Readers
        • Alarm Lock Keypad
        • Dynalock 7000 Series Keyswitch
        • Dynalock 9200 Series Door Status Switches
        • Dynalock 9250 Series Door Status Switches
        • Dynalock Digital Keypads
        • iei
        • SDC EntryCheck
        • RCI Keypad & Prox Readers
        • SecuraKey
        • Securitron Keypad
        • Securitron Keyswitches
        • Visonic
      • Magnetic Lock
        • Alarm Lock
        • Dyna Electromagnetic Door Holders
        • Dyna Electromagnetic Lock
        • Rutherford Controls (RCI) Mag Locks
        • SDC EM Locks
        • SDC Mortise Bolt Lock
        • Securitron MagLocks
      • Power Supplies
        • Adams Rite Power Supply
        • Altronix
        • Dynalock Power Supply
        • LockState
        • Von Duprin Base Power Supply
        • Alarm Lock Power Supply
        • iei Electronics Power Supply
        • Rutherford Controls (RCI) Power Supply
        • Securitron Power Supply
        • Securitron Power Transfers
        • Trine Power Supply
        • Von Duprin Power Supply
      • Push Buttons
        • Dynalock Pushbutton
        • RCI Switches & Push Buttons
        • Securitron Push Buttons
        • Trine Push Buttons
    • Exit Devices
      • Adams Rite Exit Device
        • Adams Rite 3100 series
        • Adams Rite 3100T series
        • Adams Rite 3100W series
        • Adams Rite 3111 series
        • Adams Rite 3111T series
        • Adams Rite 3111W series
        • Adams Rite 3122 series
        • Adams Rite 3122T series
        • Adams Rite 3122W series
        • Adams Rite 3133 series
        • Adams Rite 3133T series
        • Adams Rite 3133W series
        • Adams Rite 3300 series
        • Adams Rite 3310 series
        • Adams Rite 3320 series
        • Adams Rite 3330 series
        • Adams Rite 3600 series
        • Adams Rite 3600T series
        • Adams Rite 3611 series
        • Adams Rite 3611T series
        • Adams Rite 3622 series
        • Adams Rite 3622T series
        • Adams Rite 3633 series
        • Adams Rite 3633T series
        • Adams Rite 3700 series
        • Adams Rite 3701 series
        • Adams Rite 3702 series
        • Adams Rite 3703 series
        • Adams Rite 3900 series
        • Adams Rite 3900W series
        • Adams Rite 3911 series
        • Adams Rite 3911W series
        • Adams Rite 3922 series
        • Adams Rite 3922W series
        • Adams Rite 3933 series
        • Adams Rite 3933W series
        • Adams Rite 8100 series
        • Adams Rite 8100T series
        • Adams Rite 8111 series
        • Adams Rite 8111T series
        • Adams Rite 8122 series
        • Adams Rite 8122T series
        • Adams Rite 8133 series
        • Adams Rite 8133T series
        • Adams Rite 8200 series
        • Adams Rite 8200T series
        • Adams Rite 8211 series
        • Adams Rite 8211T series
        • Adams Rite 8222 series
        • Adams Rite 8222T series
        • Adams Rite 8233 series
        • Adams Rite 8233T series
        • Adams Rite 8300 series
        • Adams Rite 8312 series
        • Adams Rite 8322 series
        • Adams Rite 8332 series
        • Adams Rite 8400 series
        • Adams Rite 8404 series
        • Adams Rite 8410 series
        • Adams Rite 8414 series
        • Adams Rite 8420 series
        • Adams Rite 8424 series
        • Adams Rite 8430 series
        • Adams Rite 8434 series
        • Adams Rite 8500 series
        • Adams Rite 8500T series
        • Adams Rite 8511 series
        • Adams Rite 8511T series
        • Adams Rite 8522 series
        • Adams Rite 8522T series
        • Adams Rite 8533 series
        • Adams Rite 8533T series
        • Adams Rite 8600 series
        • Adams Rite 8600T series
        • Adams Rite 8611 series
        • Adams Rite 8611T series
        • Adams Rite 8622 series
        • Adams Rite 8622T series
        • Adams Rite 8633 series
        • Adams Rite 8633T series
        • Adams Rite 8700 series
        • Adams Rite 8701 series
        • Adams Rite 8702 series
        • Adams Rite 8703 series
        • Adams Rite 8800 series
        • Adams Rite 8801 series
        • Adams Rite 8802 series
        • Adams Rite 8803 series
        • Adams Rite 8900 series
        • Adams Rite 8900W series
        • Adams Rite 8911 series
        • Adams Rite 8911W series
        • Adams Rite 8922 series
        • Adams Rite 8922W series
        • Adams Rite 8933 series
        • Adams Rite 8933W series
      • Sargent Exit Device
        • Sargent 20 Series Exit Device
        • Sargent 30 Series Exit Device
        • Sargent 80 Series Exit Device
        • Sargent 90 Series Exit Device
      • Falcon Exit Device
        • 24 Series
        • Exit Device Parts
        • XX Series
        • 25 Series
        • Falcon Trim
      • Corbin Russwin Exit Device
        • Corbin 5200 Series Fire Rated Rim Exit Device
        • Corbin 5200 Series Rim Exit Device
        • Corbin 5200S Fire Rated SecureBolt Exit Device
        • Corbin 5200S Series SecureBolt Exit Device
        • Corbin ED4000 Series Exit Trims
        • Corbin ED4200 Series Rim Exit Device
        • Corbin ED4200 Series SecureBolt Exit Device
        • Corbin ED4400 Series Vertical Rod Device
        • Corbin ED4800 Series Concealed Vertical Rod Device
        • Corbin ED5000 Series Exit Trims
        • Corbin ED5400 Fire Rated Vertical Rod Exit Device
        • Corbin ED5400 Surface Vertical Rod Exit Device
        • Corbin ED5470 Surface Vertical Rod Exit Device
        • Corbin ED5470B Fire Rated Vertical Rod Exit Device
        • Corbin ED5600 Fire Rated Mortise Exit Device
        • Corbin ED5600 Mortise Exit Device
        • Corbin ED5800 Concealed Vertical Rod Exit Device
        • Corbin ED5800 Fire Rated Concealed Rod Device
        • Corbin ED5800 Fire Rated Vertical Rod Exit Device
      • Securitron Exit Bars and Devices
        • DSB Series
        • EMB Series
        • EMH Series
        • SP-1 Series
        • TSB Series
        • TSH Series
        • XMS Series
      • PHI Exit Device
        • PHI 2100 Series Exit Device
        • PHI 2200 Series Exit Device
        • PHI 2300 Series Exit Device
        • PHI 2400 Series Exit Device
        • PHI 2600 Series Exit Device
        • PHI 2700 Series Exit Device
        • PHI 2800 Series Exit Device
        • PHI 5100 Series Exit Device
        • PHI 5200 Series Exit Device
        • PHI Exit Device Trims
      • Von Duprin Exit Device
        • 22 Series
        • 78 Series
        • 55 Series
        • 33A Series
        • 35A Series
        • 88 Series
        • 94 Series
        • 95 Series
        • 98 Series
        • 99 Series
        • XP98 Series
        • XP99 Series
        • Trim
        • Parts and Accessories
      • Yale Exit Device
        • Yale 7100 Series Fire Rated Rim Exit Device
        • Yale 7100 Series Rim Exit Device
        • Yale 7110 Series Surface Vertical Rod Exit Device
        • Yale 7110F Surface Fire Rated Vertical Rod Device
        • Yale 7120 Series Concealed Vertical Rod Device
        • Yale 7120F Fire Rated Concealed Rod Exit Device
        • Yale 7150 Series SquareBolt Exit Device
        • Yale 7150F Series Fire Rated SquareBolt Device
      • Stanley Exit Device
        • Stanley Exit Trims
        • Stanley QED100 Series
        • Stanley QED200 Series
      • Dynalock Exit Sensor Bar
    • Hardware
      • Cylinders
        • Adams Rite Cylinders
        • Deadlock Cylinder
        • Key in Lever Cylinder
        • Guard Collar
        • Mortise Cylinder
        • Plug
        • Removable Core
        • Rim Cylinder
        • Schalge Key blank
      • Push & Pull Latch
        • Glynn Johnson HL6 Push and Pull Latch
        • Ives Door Pull
        • Glynn Johnson HL6 Push and Pull with Mortise Lock
        • Glynn Johnson PL7 Push Side Thumbturn
        • Glynn Johnson PL8 Pull Side Thumbturn
      • Door Closers
        • Dorma
        • LCN
        • Rixson Door Closer
        • Norton Door Closer
        • Corbin Door Closers
        • Stanley Door Closers
        • Sargent Door Closer
        • Yale Door Closers
      • Faceplates
        • Adams Rite Faceplate
        • Hes Faceplate
      • Strike Plates
        • Don Jo Strike Plates
        • Dynalock 4000 Series Filler Plates
      • Push & Pull Plate
        • Ives Door Push & Pull Plates
      • Flushbolt
        • Adams Rite 1870 series
        • Adams Rite 1870HM series
        • Adams Rite 1871 series
        • Adams Rite 1871W series
        • Adams Rite 1872 series
        • Adams Rite 1877 series
        • Adams Rite MS1880 series
        • Adams Rite MS1881 series
        • Adams Rite MS2180 series
        • Adams Rite MS2181 series
        • Adams Rite MS2182 series
      • Gate Box
      • Gate Lock
      • Hinges
        • Bommer
        • Don Jo
        • Ives
        • Soss
        • Stanley
      • Holders & Stops
        • Glynn Johnson 100 Series
        • Glynn Johnson 280 Sensaguard
        • Glynn Johnson 410 Series
        • Glynn Johnson 450 Series
        • Glynn Johnson 70 Series
        • Glynn Johnson 79 Series
        • Glynn Johnson 81 Series
        • Glynn Johnson 90 Series
      • Pivots
        • Ives Pivots
      • Key Cabinet
        • LockState
        • Master Lock
        • Supra (GE Security)
      • Kick Plate
        • Ives Protection Plates
      • Lock Box
        • Master Lock
        • Supra (GE Security)
      • Padlocks
        • Master Lock
      • Tools
        • Pin Kit
        • Safe Key
      • Misc
    • Safes
      • Burgulary Safe
        • Amsec
        • Protex Safe
      • Cash Box
        • Amsec
        • Master Lock
      • Closet Safe
        • LockState
      • Depository Safe
        • Protex Safe
      • Drop Box
        • Protex Safe
      • Fingerprint Safe
        • LockState
        • Protex Safe
      • Fire Proof
        • LockState
        • Protex Safe
      • Floor Safe
        • Amsec
      • Hotel Safe
        • Amsec
        • LockState
        • Protex Safe
      • Media Safe
      • Misc
      • Pistol Safe
        • Amsec
        • LockState
        • V-Line
      • Wall Safe
        • Amsec
        • Fingerprint
        • LockState
        • V-Line
    • Key Machine
      • Automatic Machine
        • HPC
        • Kaba Ilco
      • Manual Machine
        • Kaba Ilco
      • Parts
      • Punch Machine
      • Semi-Automatic Machine
        • Bravo
        • HPC
        • Kaba Ilco
      • Tubular Machine
    • Shop By Brand

    • Corbin Russwin
    • Best
    • Schlage
    • Stanley Hardware
    • Rixson
    • Falcon
    • Von Duprin
    • Yale
    • PHI
    • Adams Rite
    • View all Brands
    Reset Search ×
    • 0
    • Home
    • Locks
    • Mortise Lock
    • Corbin Russwin ML2000 Series
    • Citation Lever
    • CSP
    • Institution
    • ML2032-CSP-618 Corbin Russwin ML2000 Series Mortise Institution Locksets with Citation Lever in Bright Nickel
  • Locks
    • All Locks
    • Cabinet Lock
      • All Cabinet Lock
      • Hes Cabinet Lock
      • RCI Cabinet Lock
      • Olympus Cabinet Lock
    • Mortise Lock
      • All Mortise Lock
      • Arrow BM Levers
      • Best 40H Series
      • Best 40HW Electromechanical Series
      • Best 45H Series
      • Corbin Russwin ML2000 Series
      • Falcon MA Series
      • Sargent 8200 Series
      • Schlage L Series
      • SDC Z7800 Electric Lever Lockset
      • Stanley Mortise Lock
      • TownSteel Electrified Escutcheon Lock
      • TownSteel Electrified Sectional Lock
      • TownSteel Heavy Duty Anti-Ligature Locks
      • TownSteel Ligature Resistant Locks
      • TownSteel MSE Series
      • TownSteel MSS Series
      • Yale 8800 Series
    • Deadbolts
      • All Deadbolts
      • Adams Rite Deadbolts
      • Best 48H Deadlocks
      • Best T Series Tubular Deadbolts
      • Corbin Cylindrical Deadlocks
      • Corbin Mortise Deadlocks
      • Dynalock
      • Falcon Deadbolts
      • Sargent Deadbolt Lock
      • Schlage B500 Series
      • Stanley Deadbolt Lock
      • Adams Rite Deadlatches
      • Adams Rite Deadlocks
      • Alarm Lock
      • Arrow Lock
      • Schlage B250 Series
      • E Series Deadbolt
      • Schlage B600 Series
    • Keyless Locks
      • All Keyless Locks
      • Electronic
      • Mechanical
    • Knobs
      • All Knobs
      • Arrow CK Series
      • Arrow MK Knobs
      • Best 6K Series
      • Best 8K Series
      • Corbin Cylindrical Knob Lock
      • Falcon W Series
      • Falcon X Series
      • Sargent 6 Line Series
      • Schlage A Series
      • Schlage D Series
      • Schlage F Series
    • Levers
      • All Levers
      • Arrow APL Series
      • Arrow CL Series
      • Arrow MLX Series
      • Centrios Lock
      • Arrow QL Series
      • Schlage AL Series
      • Stanley Interconnected Lock
      • Stanley Tubular Lock
      • Falcon B Series
      • Yale 4600LN Series
      • Falcon K Series
      • Falcon T Series
      • Falcon W Series
      • Sargent Bored Locks
      • Stanley Cylindrical Lock
      • Arrow RL Series
      • Best 9K Series
      • Best 9KW Series
      • Best 7KC Series
      • Corbin Cylindrical Lock
      • Adams Rite Trim
      • Schlage F Series
      • Schlage ND Series
      • Schlage S200 Series
      • Yale 4700LN Series
      • Yale 5300LN Series
      • Yale 5400LN Series
  • Electronics
    • All Electronics
    • Alarm Hardware
      • All Alarm Hardware
      • Adams Rite
      • Alarm Lock
      • ASP Alarm Control
      • Detex
      • Trine
      • Von Duprin
    • Electric Strike
      • All Electric Strike
      • Adams Rite Electric Strike
      • Dynalock Electric Strike
      • Folger Adam Electric Strike
      • SDC Electric Strike
      • RCI Electric Strike
      • Hes Electric Strike
      • Securitron Electric Strike
      • Trine Electric Strike
      • Von Duprin Electric Strike
      • Von Duprin Monitor Strike
    • Keypads & Readers
      • All Keypads & Readers
      • Alarm Lock Keypad
      • Dynalock 7000 Series Keyswitch
      • Dynalock 9200 Series Door Status Switches
      • Dynalock 9250 Series Door Status Switches
      • Dynalock Digital Keypads
      • iei
      • SDC EntryCheck
      • RCI Keypad & Prox Readers
      • SecuraKey
      • Securitron Keypad
      • Securitron Keyswitches
      • Visonic
    • Magnetic Lock
      • All Magnetic Lock
      • Alarm Lock
      • Dyna Electromagnetic Door Holders
      • Dyna Electromagnetic Lock
      • Rutherford Controls (RCI) Mag Locks
      • SDC EM Locks
      • SDC Mortise Bolt Lock
      • Securitron MagLocks
    • Power Supplies
      • All Power Supplies
      • Adams Rite Power Supply
      • Altronix
      • Dynalock Power Supply
      • LockState
      • Von Duprin Base Power Supply
      • Alarm Lock Power Supply
      • iei Electronics Power Supply
      • Rutherford Controls (RCI) Power Supply
      • Securitron Power Supply
      • Securitron Power Transfers
      • Trine Power Supply
      • Von Duprin Power Supply
    • Push Buttons
      • All Push Buttons
      • Dynalock Pushbutton
      • RCI Switches & Push Buttons
      • Securitron Push Buttons
      • Trine Push Buttons
  • Exit Devices
    • All Exit Devices
    • Adams Rite Exit Device
      • All Adams Rite Exit Device
      • Adams Rite 3100 series
      • Adams Rite 3100T series
      • Adams Rite 3100W series
      • Adams Rite 3111 series
      • Adams Rite 3111T series
      • Adams Rite 3111W series
      • Adams Rite 3122 series
      • Adams Rite 3122T series
      • Adams Rite 3122W series
      • Adams Rite 3133 series
      • Adams Rite 3133T series
      • Adams Rite 3133W series
      • Adams Rite 3300 series
      • Adams Rite 3310 series
      • Adams Rite 3320 series
      • Adams Rite 3330 series
      • Adams Rite 3600 series
      • Adams Rite 3600T series
      • Adams Rite 3611 series
      • Adams Rite 3611T series
      • Adams Rite 3622 series
      • Adams Rite 3622T series
      • Adams Rite 3633 series
      • Adams Rite 3633T series
      • Adams Rite 3700 series
      • Adams Rite 3701 series
      • Adams Rite 3702 series
      • Adams Rite 3703 series
      • Adams Rite 3900 series
      • Adams Rite 3900W series
      • Adams Rite 3911 series
      • Adams Rite 3911W series
      • Adams Rite 3922 series
      • Adams Rite 3922W series
      • Adams Rite 3933 series
      • Adams Rite 3933W series
      • Adams Rite 8100 series
      • Adams Rite 8100T series
      • Adams Rite 8111 series
      • Adams Rite 8111T series
      • Adams Rite 8122 series
      • Adams Rite 8122T series
      • Adams Rite 8133 series
      • Adams Rite 8133T series
      • Adams Rite 8200 series
      • Adams Rite 8200T series
      • Adams Rite 8211 series
      • Adams Rite 8211T series
      • Adams Rite 8222 series
      • Adams Rite 8222T series
      • Adams Rite 8233 series
      • Adams Rite 8233T series
      • Adams Rite 8300 series
      • Adams Rite 8312 series
      • Adams Rite 8322 series
      • Adams Rite 8332 series
      • Adams Rite 8400 series
      • Adams Rite 8404 series
      • Adams Rite 8410 series
      • Adams Rite 8414 series
      • Adams Rite 8420 series
      • Adams Rite 8424 series
      • Adams Rite 8430 series
      • Adams Rite 8434 series
      • Adams Rite 8500 series
      • Adams Rite 8500T series
      • Adams Rite 8511 series
      • Adams Rite 8511T series
      • Adams Rite 8522 series
      • Adams Rite 8522T series
      • Adams Rite 8533 series
      • Adams Rite 8533T series
      • Adams Rite 8600 series
      • Adams Rite 8600T series
      • Adams Rite 8611 series
      • Adams Rite 8611T series
      • Adams Rite 8622 series
      • Adams Rite 8622T series
      • Adams Rite 8633 series
      • Adams Rite 8633T series
      • Adams Rite 8700 series
      • Adams Rite 8701 series
      • Adams Rite 8702 series
      • Adams Rite 8703 series
      • Adams Rite 8800 series
      • Adams Rite 8801 series
      • Adams Rite 8802 series
      • Adams Rite 8803 series
      • Adams Rite 8900 series
      • Adams Rite 8900W series
      • Adams Rite 8911 series
      • Adams Rite 8911W series
      • Adams Rite 8922 series
      • Adams Rite 8922W series
      • Adams Rite 8933 series
      • Adams Rite 8933W series
    • Sargent Exit Device
      • All Sargent Exit Device
      • Sargent 20 Series Exit Device
      • Sargent 30 Series Exit Device
      • Sargent 80 Series Exit Device
      • Sargent 90 Series Exit Device
    • Falcon Exit Device
      • All Falcon Exit Device
      • 24 Series
      • Exit Device Parts
      • XX Series
      • 25 Series
      • Falcon Trim
    • Corbin Russwin Exit Device
      • All Corbin Russwin Exit Device
      • Corbin 5200 Series Fire Rated Rim Exit Device
      • Corbin 5200 Series Rim Exit Device
      • Corbin 5200S Fire Rated SecureBolt Exit Device
      • Corbin 5200S Series SecureBolt Exit Device
      • Corbin ED4000 Series Exit Trims
      • Corbin ED4200 Series Rim Exit Device
      • Corbin ED4200 Series SecureBolt Exit Device
      • Corbin ED4400 Series Vertical Rod Device
      • Corbin ED4800 Series Concealed Vertical Rod Device
      • Corbin ED5000 Series Exit Trims
      • Corbin ED5400 Fire Rated Vertical Rod Exit Device
      • Corbin ED5400 Surface Vertical Rod Exit Device
      • Corbin ED5470 Surface Vertical Rod Exit Device
      • Corbin ED5470B Fire Rated Vertical Rod Exit Device
      • Corbin ED5600 Fire Rated Mortise Exit Device
      • Corbin ED5600 Mortise Exit Device
      • Corbin ED5800 Concealed Vertical Rod Exit Device
      • Corbin ED5800 Fire Rated Concealed Rod Device
      • Corbin ED5800 Fire Rated Vertical Rod Exit Device
    • Securitron Exit Bars and Devices
      • All Securitron Exit Bars and Devices
      • DSB Series
      • EMB Series
      • EMH Series
      • SP-1 Series
      • TSB Series
      • TSH Series
      • XMS Series
    • PHI Exit Device
      • All PHI Exit Device
      • PHI 2100 Series Exit Device
      • PHI 2200 Series Exit Device
      • PHI 2300 Series Exit Device
      • PHI 2400 Series Exit Device
      • PHI 2600 Series Exit Device
      • PHI 2700 Series Exit Device
      • PHI 2800 Series Exit Device
      • PHI 5100 Series Exit Device
      • PHI 5200 Series Exit Device
      • PHI Exit Device Trims
    • Von Duprin Exit Device
      • All Von Duprin Exit Device
      • 22 Series
      • 78 Series
      • 55 Series
      • 33A Series
      • 35A Series
      • 88 Series
      • 94 Series
      • 95 Series
      • 98 Series
      • 99 Series
      • XP98 Series
      • XP99 Series
      • Trim
      • Parts and Accessories
    • Yale Exit Device
      • All Yale Exit Device
      • Yale 7100 Series Fire Rated Rim Exit Device
      • Yale 7100 Series Rim Exit Device
      • Yale 7110 Series Surface Vertical Rod Exit Device
      • Yale 7110F Surface Fire Rated Vertical Rod Device
      • Yale 7120 Series Concealed Vertical Rod Device
      • Yale 7120F Fire Rated Concealed Rod Exit Device
      • Yale 7150 Series SquareBolt Exit Device
      • Yale 7150F Series Fire Rated SquareBolt Device
    • Stanley Exit Device
      • All Stanley Exit Device
      • Stanley Exit Trims
      • Stanley QED100 Series
      • Stanley QED200 Series
    • Dynalock Exit Sensor Bar
  • Hardware
    • All Hardware
    • Cylinders
      • All Cylinders
      • Adams Rite Cylinders
      • Deadlock Cylinder
      • Key in Lever Cylinder
      • Guard Collar
      • Mortise Cylinder
      • Plug
      • Removable Core
      • Rim Cylinder
      • Schalge Key blank
    • Push & Pull Latch
      • All Push & Pull Latch
      • Glynn Johnson HL6 Push and Pull Latch
      • Ives Door Pull
      • Glynn Johnson HL6 Push and Pull with Mortise Lock
      • Glynn Johnson PL7 Push Side Thumbturn
      • Glynn Johnson PL8 Pull Side Thumbturn
    • Door Closers
      • All Door Closers
      • Dorma
      • LCN
      • Rixson Door Closer
      • Norton Door Closer
      • Corbin Door Closers
      • Stanley Door Closers
      • Sargent Door Closer
      • Yale Door Closers
    • Faceplates
      • All Faceplates
      • Adams Rite Faceplate
      • Hes Faceplate
    • Strike Plates
      • All Strike Plates
      • Don Jo Strike Plates
      • Dynalock 4000 Series Filler Plates
    • Push & Pull Plate
      • All Push & Pull Plate
      • Ives Door Push & Pull Plates
    • Flushbolt
      • All Flushbolt
      • Adams Rite 1870 series
      • Adams Rite 1870HM series
      • Adams Rite 1871 series
      • Adams Rite 1871W series
      • Adams Rite 1872 series
      • Adams Rite 1877 series
      • Adams Rite MS1880 series
      • Adams Rite MS1881 series
      • Adams Rite MS2180 series
      • Adams Rite MS2181 series
      • Adams Rite MS2182 series
    • Gate Box
    • Gate Lock
    • Hinges
      • All Hinges
      • Bommer
      • Don Jo
      • Ives
      • Soss
      • Stanley
    • Holders & Stops
      • All Holders & Stops
      • Glynn Johnson 100 Series
      • Glynn Johnson 280 Sensaguard
      • Glynn Johnson 410 Series
      • Glynn Johnson 450 Series
      • Glynn Johnson 70 Series
      • Glynn Johnson 79 Series
      • Glynn Johnson 81 Series
      • Glynn Johnson 90 Series
    • Pivots
      • All Pivots
      • Ives Pivots
    • Key Cabinet
      • All Key Cabinet
      • LockState
      • Master Lock
      • Supra (GE Security)
    • Kick Plate
      • All Kick Plate
      • Ives Protection Plates
    • Lock Box
      • All Lock Box
      • Master Lock
      • Supra (GE Security)
    • Padlocks
      • All Padlocks
      • Master Lock
    • Tools
      • All Tools
      • Pin Kit
      • Safe Key
    • Misc
  • Safes
    • All Safes
    • Burgulary Safe
      • All Burgulary Safe
      • Amsec
      • Protex Safe
    • Cash Box
      • All Cash Box
      • Amsec
      • Master Lock
    • Closet Safe
      • All Closet Safe
      • LockState
    • Depository Safe
      • All Depository Safe
      • Protex Safe
    • Drop Box
      • All Drop Box
      • Protex Safe
    • Fingerprint Safe
      • All Fingerprint Safe
      • LockState
      • Protex Safe
    • Fire Proof
      • All Fire Proof
      • LockState
      • Protex Safe
    • Floor Safe
      • All Floor Safe
      • Amsec
    • Hotel Safe
      • All Hotel Safe
      • Amsec
      • LockState
      • Protex Safe
    • Media Safe
    • Misc
    • Pistol Safe
      • All Pistol Safe
      • Amsec
      • LockState
      • V-Line
    • Wall Safe
      • All Wall Safe
      • Amsec
      • Fingerprint
      • LockState
      • V-Line
  • Key Machine
    • All Key Machine
    • Automatic Machine
      • All Automatic Machine
      • HPC
      • Kaba Ilco
    • Manual Machine
      • All Manual Machine
      • Kaba Ilco
    • Parts
    • Punch Machine
    • Semi-Automatic Machine
      • All Semi-Automatic Machine
      • Bravo
      • HPC
      • Kaba Ilco
    • Tubular Machine
  • Shop by Brand
  • Corbin Russwin
  • Best
  • Schlage
  • Stanley Hardware
  • Rixson
  • Falcon
  • Von Duprin
  • Yale
  • PHI
  • Adams Rite
  • View all Brands
  • ML2032-CSP-618 Corbin Russwin ML2000 Series Mortise Institution Locksets with Citation Lever in Bright Nickel
  • ML2032-CSP-618 Corbin Russwin ML2000 Series Mortise Institution Locksets with Citation Lever in Bright Nickel
  • ML2032-CSP-618 Corbin Russwin ML2000 Series Mortise Institution Locksets with Citation Lever in Bright Nickel
  • ML2032-CSP-618 Corbin Russwin ML2000 Series Mortise Institution Locksets with Citation Lever in Bright Nickel ML2032-CSP-618 Corbin Russwin ML2000 Series Mortise Institution Locksets with Citation Lever in Bright Nickel ML2032-CSP-618 Corbin Russwin ML2000 Series Mortise Institution Locksets with Citation Lever in Bright Nickel

    ML2032-CSP-618 Corbin Russwin ML2000 Series Mortise Institution Locksets with Citation Lever in Bright Nickel

    Corbin Russwin

    MSRP: $1,635.00
    Was:
    Now: $1,124.88
    (You save $510.12 )
    (No reviews yet) Write a Review

    SKU:
    ML2032-CSP-618

    Adding to cart… category.add_cart_announcement
    Save to Wishlist
    • Create New Wish List
    • Email
    • Print
    • Overview
    • Warranty Information
    • Reviews

    Product Description

    ML2032-CSP-618 Corbin Russwin ML2000 Series Mortise Institution Locksets with Citation Lever in Bright Nickel Finish

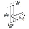
    The Corbin ML2032-CSP-618 Institution function lock is designed to meet the rigors of high-traffic commercial, institutional, industrial and government applications. Further discourage intrusion and abuse with the ML2000HS (High Security) or ML2000VR (Vandal Resistant) series mortise lock. Both locks feature vandal resistant stainless steel escutcheons with tapered edges and Torx pin tamper resistant screws. When matched with Corbin Russwin patented high-security cylinders, any door can become a formidable barrier to intruders. The ML2000 series is ideal for offices, schools, hospitals, hotels and other high-use applications. This series are certified to ANSI/BHMA A156.13 Series 1000, operational and security Grade 1.

    Institution lock: Latchbolt by key either side. Both grips always rigid. Auxiliary latch deadlocks latchbolt.

    Features and Benefits:

    • Bright Nickel finish
    • Strike: ANSI straight lip 4-7/8" x 1-1/4" x 1-1/8" lip to center
    • Latch bolt: 2-piece mechanical with anti-friction insert, 5/8"x1"x 3/4" throw
    • Backset: 2-3/4"
    • ANSI No: F30
    • Handing: Field reversible
    • Double cylinder
    • 6-pin cylinder, L4 keyway standard
    • Two nickel silver keys are included
    • Citation lever trim (CSP)
    • Lever: Cast; Escutcheon: Wrought
    • Escutcheon: P Escutcheon (1-5/8" Wrought)
    • Door thickness: 1-3/4" (44mm) standard
    • Lockcase: Heavy-gauge steel, 5-7/8"x4"x15/16"

    *Note: This function does not allow free egress and can pose a life safety hazard in event of an emergency. Installation should be in accordance with approved codes only.

    Warranty Information

    10 years limited manufacturer's warranty

    Product Videos

    Custom Field

    Product Reviews

    Write a Review

    Write a Review

    ×
    ML2032-CSP-618 Corbin Russwin ML2000 Series Mortise Institution Locksets with Citation Lever in Bright Nickel
    Corbin Russwin
    ML2032-CSP-618 Corbin Russwin ML2000 Series Mortise Institution Locksets with Citation Lever in Bright Nickel

    ×
    • Recommended
    • ML2032-CSP-618-LC Corbin Russwin ML2000 Series Mortise Institution Locksets with Citation Lever in Bright Nickel ML2032-CSP-618-LC Corbin Russwin ML2000 Series Mortise Institution Locksets with Citation Lever in Bright Nickel
      Quick view

      Corbin Russwin

      |

      sku: ML2032-CSP-618-LC

      ML2032-CSP-618-LC Corbin Russwin ML2000 Series Mortise Institution Locksets with Citation Lever in Bright Nickel

      MSRP: $1,505.00
      Was:
      Now: $1,035.00
      Add to Cart
    • ML2032-CSA-618 Corbin Russwin ML2000 Series Mortise Institution Locksets with Citation Lever in Bright Nickel ML2032-CSA-618 Corbin Russwin ML2000 Series Mortise Institution Locksets with Citation Lever in Bright Nickel
      Quick view

      Corbin Russwin

      |

      sku: ML2032-CSA-618

      ML2032-CSA-618 Corbin Russwin ML2000 Series Mortise Institution Locksets with Citation Lever in Bright Nickel

      MSRP: $1,615.00
      Was:
      Now: $1,111.12
      Add to Cart
    • ML2032-CSN-618 Corbin Russwin ML2000 Series Mortise Institution Locksets with Citation Lever in Bright Nickel ML2032-CSN-618 Corbin Russwin ML2000 Series Mortise Institution Locksets with Citation Lever in Bright Nickel
      Quick view

      Corbin Russwin

      |

      sku: ML2032-CSN-618

      ML2032-CSN-618 Corbin Russwin ML2000 Series Mortise Institution Locksets with Citation Lever in Bright Nickel

      MSRP: $1,635.00
      Was:
      Now: $1,124.88
      Add to Cart
    • ML2032-CSF-618 Corbin Russwin ML2000 Series Mortise Institution Locksets with Citation Lever in Bright Nickel ML2032-CSF-618 Corbin Russwin ML2000 Series Mortise Institution Locksets with Citation Lever in Bright Nickel
      Quick view

      Corbin Russwin

      |

      sku: ML2032-CSF-618

      ML2032-CSF-618 Corbin Russwin ML2000 Series Mortise Institution Locksets with Citation Lever in Bright Nickel

      MSRP: $1,692.00
      Was:
      Now: $1,164.10
      Add to Cart
    • ML2032-CSR-618 Corbin Russwin ML2000 Series Mortise Institution Locksets with Citation Lever in Bright Nickel ML2032-CSR-618 Corbin Russwin ML2000 Series Mortise Institution Locksets with Citation Lever in Bright Nickel
      Quick view

      Corbin Russwin

      |

      sku: ML2032-CSR-618

      ML2032-CSR-618 Corbin Russwin ML2000 Series Mortise Institution Locksets with Citation Lever in Bright Nickel

      MSRP: $1,669.00
      Was:
      Now: $1,148.00
      Add to Cart
    ×
    Categories
    • Locks
    • Electronics
    • Exit Devices
    • Hardware
    • Safes
    • Key Machine
    Information
    • About Us
    • Testimonials
    • Amazon Merch
    • Shop by Brand
    • Contact Us
    Customer Service
    • Shipping & Returns
    • Privacy Policy
    • Terms & Conditions
    • Login or Sign Up
    • Order Status
    Join Our Mailing List

    Sign up for our newsletter to receive specials and up to date product news and releases.

    • © Lock Depot Inc
    • | Sitemap