Von Duprin Electric Strikes

Authorized Von Duprin Distributor | In Stock & Ready to Ship

Expert Field Guide: Why the 6000 Series is the Industry Standard

The biggest headache on a commercial job site is an electric strike that "buzzes" but won't release because the door has a slight preload from a sagging hinge or a tight weatherstrip. Most installers grab a cheap universal strike and spend three hours filing the frame, only to have a callback a month later. Von Duprin solved this with the 6000 series by over-engineering the internal solenoid and using a heavy-duty stainless steel casting that doesn't flex under pressure. While an HES 1006 is a great versatile tool for a service van, it can't match the raw "jaw strength" and durability of a Von Duprin 6211 when you're dealing with a high-traffic hospital corridor or a school entrance where the hardware gets kicked more than it gets turned.

What sets Von Duprin apart from competitors like RCI or Trine is the modularity and the sheer weight of the components. Where Adams Rite falls short in heavy-duty rim exit applications, the Von Duprin 6111 steps in as a 3-hour fire-rated beast that replaces the old Folger Adam 310-4 with better reliability. These strikes are designed to be "continuous duty," meaning you can leave them unlocked for an entire shift without the solenoid burning out or the faceplate getting hot enough to singe a finger. Unlike some "no-cut" options that feel flimsy, the Von Duprin 6300 surface-mount strike provides a massive security upgrade for rim devices on storefront doors without the labor-intensive frame prep required by recessed models.

For the apprentice on the truck, the cheat sheet is simple: Use the 6111 for rim exit devices on single doors or double doors with a mullion. The 6211 is your workhorse for mortise or cylindrical locks—it features an adjustable strike box that is a lifesaver when the door isn't hanging perfectly plumb. If you are retrofitting and don't want to cut the frame, the 6300 is the only surface-mount strike worth the money. At Lock Depot, we carry the full range of 12V and 24V options in the finishes you actually need, like US32D and US10B. Lock Depot sells brand new Von Duprin products with the full manufacturer warranty.

Von Duprin 6000 Series Strike Comparison

Series Lockset Compatibility Fire Rating Key Differentiator Price Range
6111 Series Rim Exit Devices 3-Hour (Fail Secure) All stainless steel; replaces Folger Adam 310-4
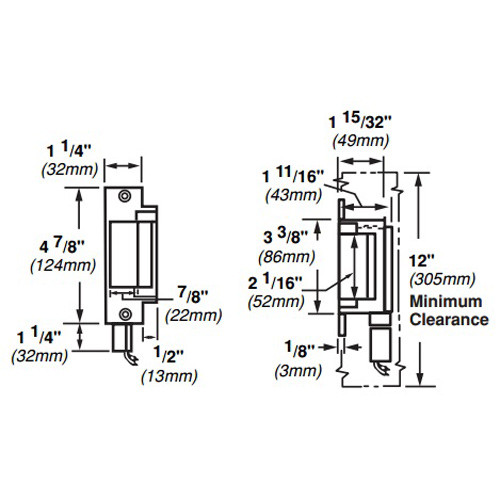
6211 Series Mortise or Cylindrical 3-Hour (Fail Secure) Adjustable strike box for sagging doors
6300 Series Rim Exit Devices 3-Hour (Fail Secure) Surface mount; NO CUTTING into the frame
6400 Series Cylindrical / Small Mortise 90-Minute Modular design with multiple faceplates

Pro-Tip: The "SO-24" Rectifier Trap

One of the most common reasons for a dead strike is running DC solenoids on AC power without a rectifier. If you are tapping into an older 24VAC transformer, the strike will buzz like a hornet and the solenoid will fry within a week. Always use a Von Duprin SO-24 rectifier kit to convert that AC signal to clean DC. Also, when installing the 6211, pay close attention to the "Deadlatch" position. If the deadlatch of your mortise lock falls into the strike pocket, the door won't lock. Use the provided strike inserts to ensure the deadlatch stays on the face of the strike while the main latch enters the pocket.

Frequently Asked Questions

What is the difference between Fail-Safe and Fail-Secure?

Fail-Secure (FSE) means the door remains locked when power is lost, which is the standard for high security. Fail-Safe (FS) means the door unlocks when power is removed, which is often required for certain life-safety fire exits. Note that most fire-rated strikes MUST be Fail-Secure to maintain their rating.

Can I field-convert a 6000 series strike from 12V to 24V?

No. Unlike some "universal" brands, Von Duprin 6000 series strikes use specific solenoids for 12V or 24V. You must order the correct voltage for your power supply. However, you CAN field-convert them between Fail-Safe and Fail-Secure using the internal slider mechanism.

Does the Von Duprin 6300 work with any panic bar?

The 6300 is designed specifically for Rim Exit Devices. It is a surface-mounted strike that sits on the face of the frame. It will not work with mortise locks or vertical rod devices. It's the go-to for adding access control to a Von Duprin 98/99 bar.

What is the "DS" option on Von Duprin strikes?

The "DS" stands for Dual Switch. This provides internal monitoring switches that tell your access control system two things: if the "keeper" is locked and if the latch bolt is actually inside the strike. This is essential for "Door Forced" or "Door Propped" alarm monitoring.

Why is my strike buzzing but the door won't open?

This is usually caused by "Door Preload." If the door is pushing against the strike's keeper (often due to air pressure or bad weatherstripping), the solenoid may not have enough power to pull the keeper back. The 6000 series has a high preload release rating, but you may still need to adjust the door silencers or hinges to reduce the pressure.