Toggle menu
FREE shipping over $500
877-365-5625
  • 0
  • Gift Certificates
  • Lock Depot Inc
    Reset Search ×
    • 0
    Reset Search ×

      Shop By Category

    • Shop by Industry
      • Education & Campus Safety
      • Government & Military
      • Industrial & Warehouse
      • Healthcare & Hospitals
      • Retail & Property Management
      • Hospitality & Multi-Family
      • Religious & Non-Profit
      • Banking & Finance
    • Locks
      • Cylindrical Locks
        • Sargent Cylindrical Locks
      • Mortise Locks
        • Sargent Mortise Locks
      • Cabinet Lock
        • Hes Cabinet Lock
        • RCI Cabinet Lock
        • Olympus Cabinet Lock
      • Deadbolts
        • Arrow Lock Deadbolts
        • Adams Rite Locks
        • Alarm Lock Electric Deadbolts
        • Best Deadbolts
        • Corbin Deadbolt
        • Dynalock
        • Sargent Deadbolt Lock
        • Schlage Deadbolt
        • SDC Mortise Bolt Lock
        • Stanley Deadbolt Lock
      • Keyless Locks
        • Electronic Lock
        • Mechanical Lock
      • Knob Lock
        • Arrow CK Series
        • Arrow MK Knobs
        • Sargent 6 Line Series
        • Schlage A Series
        • Schlage D Series
        • Schlage F Series
      • Lever Lock
        • Arrow Lever Lock
        • Best Lever Lock
        • Sargent Lever Lock
        • Schlage Lever Lock
        • Stanley Lever Lock
        • Yale Lever Lock
        • Adams Rite Trim
      • Mortise Lock
        • Best Mortise Lock
        • Sargent Mortise Lock
        • Arrow Mortise Lock
        • Corbin Russwin ML2000 Series
        • Falcon MA Series
        • Schlage L Series
        • SDC Z7800 Electric Lever Lockset
        • Stanley Mortise Lock
        • Townsteel
        • Yale 8800 Series
    • Electronics
      • Alarm Hardware
        • Adams Rite
        • Alarm Lock Alarm Hardware
        • ASP Alarm Control
        • Detex
        • Von Duprin
      • Electric Strike
        • Adams Rite Electric Strike
        • Dynalock Electric Strike
        • Folger Adam Electric Strike
        • Hes Electric Strike
        • Locknetics Electric Strike
        • RCI Electric Strike
        • SDC Electric Strike
        • Securitron Electric Strike
        • Trine Electric Strike
        • Von Duprin Electric Strike
        • Von Duprin Monitor Strike
      • Keypads & Readers
        • Alarm Lock Keypad
        • Dynalock 7000 Series Keyswitch
        • Dynalock 9200 Series Door Status Switches
        • Dynalock 9250 Series Door Status Switches
        • Dynalock Digital Keypads
        • iei
        • RCI Keypad & Prox Readers
        • SecuraKey
        • Securitron Keypad
        • Securitron Keyswitches
      • Magnetic Lock
        • Alarm Lock Magnetic Locks
        • Dyna Electromagnetic Lock
        • Locknetics Magnetic Lock
        • Rutherford Controls (RCI) Mag Locks
        • SDC EM Locks
        • Securitron MagLocks
      • Power Supplies
        • Adams Rite Power Supply
        • Altronix
        • Dynalock Power Supply
        • Alarm Lock Power Supply
        • iei Electronics Power Supply
        • Rutherford Controls (RCI) Power Supply
        • Securitron Power Supply
        • Securitron Power Transfers
        • Trine Power Supply
        • Von Duprin Power Supply
      • Push Buttons
        • Dynalock Pushbutton
        • RCI Switches & Push Buttons
        • Securitron Push Buttons
        • Trine Push Buttons
    • Exit Devices
      • Accentra Exit Device
        • Yale 7100 Series Fire Rated Rim Exit Device
        • Yale 7100 Series Rim Exit Device
        • Yale 7110 Series Surface Vertical Rod Exit Device
        • Yale 7110F Surface Fire Rated Vertical Rod Device
        • Yale 7120 Series Concealed Vertical Rod Device
        • Yale 7120F Fire Rated Concealed Rod Exit Device
        • Yale 7150 Series SquareBolt Exit Device
        • Yale 7150F Series Fire Rated SquareBolt Device
      • Adams Rite Exit Device
        • Adams Rite 3100 series
        • Adams Rite 3100T series
        • Adams Rite 3100W series
        • Adams Rite 3111 series
        • Adams Rite 3111T series
        • Adams Rite 3111W series
        • Adams Rite 3122 series
        • Adams Rite 3122T series
        • Adams Rite 3122W series
        • Adams Rite 3133 series
        • Adams Rite 3133T series
        • Adams Rite 3133W series
        • Adams Rite 3300 series
        • Adams Rite 3310 series
        • Adams Rite 3320 series
        • Adams Rite 3330 series
        • Adams Rite 3600 series
        • Adams Rite 3600T series
        • Adams Rite 3611 series
        • Adams Rite 3611T series
        • Adams Rite 3622 series
        • Adams Rite 3622T series
        • Adams Rite 3633 series
        • Adams Rite 3633T series
        • Adams Rite 3700 series
        • Adams Rite 3701 series
        • Adams Rite 3702 series
        • Adams Rite 3703 series
        • Adams Rite 3900 series
        • Adams Rite 3900W series
        • Adams Rite 3911 series
        • Adams Rite 3911W series
        • Adams Rite 3922 series
        • Adams Rite 3922W series
        • Adams Rite 3933 series
        • Adams Rite 3933W series
        • Adams Rite 8100 series
        • Adams Rite 8100T series
        • Adams Rite 8111 series
        • Adams Rite 8111T series
        • Adams Rite 8122 series
        • Adams Rite 8122T series
        • Adams Rite 8133 series
        • Adams Rite 8133T series
        • Adams Rite 8200 series
        • Adams Rite 8200T series
        • Adams Rite 8211 series
        • Adams Rite 8211T series
        • Adams Rite 8222 series
        • Adams Rite 8222T series
        • Adams Rite 8233 series
        • Adams Rite 8233T series
        • Adams Rite 8300 series
        • Adams Rite 8312 series
        • Adams Rite 8322 series
        • Adams Rite 8332 series
        • Adams Rite 8400 series
        • Adams Rite 8404 series
        • Adams Rite 8410 series
        • Adams Rite 8414 series
        • Adams Rite 8420 series
        • Adams Rite 8424 series
        • Adams Rite 8430 series
        • Adams Rite 8434 series
        • Adams Rite 8500 series
        • Adams Rite 8500T series
        • Adams Rite 8511 series
        • Adams Rite 8511T series
        • Adams Rite 8522 series
        • Adams Rite 8522T series
        • Adams Rite 8533 series
        • Adams Rite 8533T series
        • Adams Rite 8600 series
        • Adams Rite 8600T series
        • Adams Rite 8611 series
        • Adams Rite 8611T series
        • Adams Rite 8622 series
        • Adams Rite 8622T series
        • Adams Rite 8633 series
        • Adams Rite 8633T series
        • Adams Rite 8700 series
        • Adams Rite 8701 series
        • Adams Rite 8702 series
        • Adams Rite 8703 series
        • Adams Rite 8800 series
        • Adams Rite 8801 series
        • Adams Rite 8802 series
        • Adams Rite 8803 series
        • Adams Rite 8900 series
        • Adams Rite 8900W series
        • Adams Rite 8911 series
        • Adams Rite 8911W series
        • Adams Rite 8922 series
        • Adams Rite 8922W series
        • Adams Rite 8933 series
        • Adams Rite 8933W series
      • Arm-A-Dor Exit Device
      • Corbin Russwin Exit Device
        • Corbin 5200 Series Fire Rated Rim Exit Device
        • Corbin 5200 Series Rim Exit Device
        • Corbin 5200S Fire Rated SecureBolt Exit Device
        • Corbin 5200S Series SecureBolt Exit Device
        • Corbin ED4000 Series Exit Trims
        • Corbin ED4200 Series Rim Exit Device
        • Corbin ED4200 Series SecureBolt Exit Device
        • Corbin ED4400 Series Vertical Rod Device
        • Corbin ED4800 Series Concealed Vertical Rod Device
        • Corbin ED5000 Series Exit Trims
        • Corbin ED5400 Fire Rated Vertical Rod Exit Device
        • Corbin ED5400 Surface Vertical Rod Exit Device
        • Corbin ED5470 Surface Vertical Rod Exit Device
        • Corbin ED5470B Fire Rated Vertical Rod Exit Device
        • Corbin ED5600 Fire Rated Mortise Exit Device
        • Corbin ED5600 Mortise Exit Device
        • Corbin ED5800 Concealed Vertical Rod Exit Device
        • Corbin ED5800 Fire Rated Concealed Rod Device
        • Corbin ED5800 Fire Rated Vertical Rod Exit Device
      • Detex Exit Device
        • Detex Advantex 10 Crash Bar
        • Detex Advantex 20 Crash Bar
        • Detex Advantex 21 Crash Bar
        • Detex Advantex 40 Crash Bar
        • Detex Advantex 50 Crash Bar
        • Detex V40 Crash Bar
        • Detex V40W Weatherized Crash Bar
        • Detex V50 Crash Bar
        • Detex V51 Crash Bar
      • Dynalock Exit Sensor Bar
      • Falcon Exit Device
        • 24 Series
        • XX Series
        • 25 Series
        • Falcon Trim
      • PHI Exit Device
        • PHI 2100 Series Exit Device
        • PHI 2200 Series Exit Device
        • PHI 2300 Series Exit Device
        • PHI 2400 Series Exit Device
        • PHI 2600 Series Exit Device
        • PHI 2700 Series Exit Device
        • PHI 2800 Series Exit Device
        • PHI 5100 Series Exit Device
        • PHI 5200 Series Exit Device
        • PHI Exit Device Trims
      • Sargent Exit Device
        • Sargent 20 Series Exit Device
        • Sargent 30 Series Exit Device
        • Sargent 80 Series Exit Device
        • Sargent 90 Series Exit Device
      • Securitron Exit Bars and Devices
        • DSB Series
        • EMB Series
        • EMH Series
        • SP-1 Series
        • TSB Series
        • TSH Series
        • XMS Series
      • Stanley Exit Device
        • Stanley Exit Trims
        • Stanley QED100 Series
        • Stanley QED200 Series
      • Von Duprin Exit Device
        • 22 Series
        • 75 Series
        • 55 Series
        • 33A Series
        • 35A Series
        • 88 Series
        • 94 Series
        • 95 Series
        • 98 Series
        • 99 Series
        • XP98 Series
        • XP99 Series
        • Von Duprin Trim
        • Parts and Accessories
    • Hardware
      • Cylinders
        • Profile Cylinder
        • Key in Lever Cylinder
        • Guard Collar
        • Mortise Cylinder
        • Plug
        • Removable Core
        • Rim Cylinder
      • Door Closers
        • Dorma Door Closer
        • LCN Door Closer
        • Rixson Door Closer
        • Norton Door Closer
        • Corbin Door Closers
        • Stanley Door Closers
        • Sargent Door Closer
        • Yale Door Closers
      • Faceplates
        • Adams Rite Faceplate
      • Flushbolt
        • Adams Rite 1870 series
        • Adams Rite 1870HM series
        • Adams Rite 1871 series
        • Adams Rite 1871W series
        • Adams Rite 1872 series
        • Adams Rite 1877 series
        • Adams Rite MS1880 series
        • Adams Rite MS1881 series
        • Adams Rite MS2180 series
        • Adams Rite MS2181 series
        • Adams Rite MS2182 series
      • Gate Box
      • Gate Lock
      • Hinges
        • Don Jo
        • Ives
        • Soss
        • Stanley
      • Holders & Stops
        • Glynn Johnson 100 Series
        • Glynn Johnson 280 Sensaguard
        • Glynn Johnson 410 Series
        • Glynn Johnson 450 Series
        • Glynn Johnson 70 Series
        • Glynn Johnson 79 Series
        • Glynn Johnson 81 Series
        • Glynn Johnson 90 Series
      • Key Blanks
      • Key Cabinet
        • Master Lock
        • Supra (GE Security)
      • Kick Plate
        • Ives Protection Plates
      • Lock Box
        • Master Lock
        • Supra (GE Security)
      • Misc
      • Mullion
        • Detex Mullion
      • Padlocks
        • Master Lock
      • Pivots
        • Ives Pivots
      • Push & Pull Latch
        • Glynn Johnson HL6 Push and Pull Latch
        • Glynn Johnson HL6 Push and Pull with Mortise Lock
        • Glynn Johnson PL7 Push Side Thumbturn
        • Glynn Johnson PL8 Pull Side Thumbturn
      • Push & Pull Plate
      • Strike Plates
        • Don Jo Strike Plates
        • Dynalock 4000 Series Filler Plates
      • Tools
        • Pin Kit
        • Safe Key
    • Manufacturer
      • BEST
      • Framon
      • Hager
      • KSP
      • Pro-Lok
      • Rytan
      • Adams Rite
      • Altronix
      • Amsec
      • Arm-A-Dor
      • Arrow Lock
      • ASP Alarm Control
      • Baldwin Hardware
      • Camden
      • Centrios
      • Corbin Russwin
      • Detex
      • Don Jo
      • Dorma
      • Dynalock
      • Falcon
      • Folger Adam
      • GE Security
      • Glynn Johnson
      • GMS
      • HES
      • HID
      • HPC
      • IEI
      • Ives
      • Kaba Ilco
      • Kaba Ilco Access Cards
      • Kaba Ilco E Plex
      • Kaba Ilco Key Machine
      • Kaba Ilco Simplex
      • Keedex
      • Linear
      • Lock Depot
        • Merch
      • Locknetics
      • Master Lock
      • Medeco
      • Norton
      • Olympus
      • PHI
      • Pro Lock
      • Protex Safes
      • Rixson
      • Rutherford Controls (RCI)
      • Sargent
      • Sargent Greenleaf
      • Schlage
      • Schlage Electronics
      • Schlage Residential
      • SDC
      • Securitron
      • Silca
      • Soss Hinges
      • Stanley Hardware
      • Supra
      • TownSteel
      • Trine
      • V-Line
      • Von Duprin
      • Von Duprin Electric Strikes
      • Yale
    • Safes
      • Burglary Safe
        • Amsec
        • Protex Safe
      • Cash Box
      • Commercial Safe
        • Amsec
      • Depository Safe
        • Amsec
        • Protex Safe
      • Drop Box
        • Protex Safe
      • Fingerprint Safe
        • Protex Safe
      • Floor Safe
        • Amsec
      • Gun Safe
        • Amsec
      • Hotel Safe
        • Amsec
      • Media Safe
      • Misc
      • Pistol Safe
        • Amsec
        • V-Line
      • Security Safe
        • Amsec
      • Wall Safe
        • Amsec
        • V-Line
    • Key Machine
      • Automatic Machine
        • HPC
        • Kaba Ilco
      • Manual Machine
        • Kaba Ilco
      • Parts
      • Punch Machine
      • Semi-Automatic Machine
        • Bravo
        • HPC
        • Kaba Ilco
      • Tubular Machine
    • Shop By Brand

    • Corbin Russwin
    • Von Duprin
    • Best
    • Schlage
    • Sargent
    • Stanley Hardware
    • Rixson
    • Falcon
    • Yale
    • PHI
    • View all Brands
    • Main Menu

    • Request a Quote
    • Shop by Brand
    • About us
    • Shipping & Returns
    • Contact Us
    • Gift Certificates
    • Login or Sign Up

    HardwareDoor Hardware

    Shop by Category

  • Shop by Industry

    Shop by Industry

    • Education & Campus Safety
    • Government & Military
    • Industrial & Warehouse
    • Healthcare & Hospitals
    • Retail & Property Management
    • Hospitality & Multi-Family
    • Religious & Non-Profit
    • Banking & Finance
  • Locks

    Locks

    • Cylindrical Locks
      • All Cylindrical Locks
      • Sargent Cylindrical Locks
      • View All
    • Mortise Locks
      • All Mortise Locks
      • Sargent Mortise Locks
      • View All
    • Cabinet Lock
      • All Cabinet Lock
      • Hes Cabinet Lock
      • RCI Cabinet Lock
      • Olympus Cabinet Lock
      • View All
    • Deadbolts
      • All Deadbolts
      • Arrow Lock Deadbolts
      • Adams Rite Locks
      • Alarm Lock Electric Deadbolts
      • Best Deadbolts
      • Corbin Deadbolt
      • Dynalock
      • Sargent Deadbolt Lock
      • Schlage Deadbolt
      • SDC Mortise Bolt Lock
      • Stanley Deadbolt Lock
      • View All
    • Keyless Locks
      • All Keyless Locks
      • Electronic Lock
      • Mechanical Lock
      • View All
    • Knob Lock
      • All Knob Lock
      • Arrow CK Series
      • Arrow MK Knobs
      • Sargent 6 Line Series
      • Schlage A Series
      • Schlage D Series
      • Schlage F Series
      • View All
    • Lever Lock
      • All Lever Lock
      • Arrow Lever Lock
      • Best Lever Lock
      • Sargent Lever Lock
      • Schlage Lever Lock
      • Stanley Lever Lock
      • Yale Lever Lock
      • Adams Rite Trim
      • View All
    • Mortise Lock
      • All Mortise Lock
      • Best Mortise Lock
      • Sargent Mortise Lock
      • Arrow Mortise Lock
      • Corbin Russwin ML2000 Series
      • Falcon MA Series
      • Schlage L Series
      • SDC Z7800 Electric Lever Lockset
      • Stanley Mortise Lock
      • Townsteel
      • Yale 8800 Series
      • View All
  • Electronics

    Electronics

    • Alarm Hardware
      • All Alarm Hardware
      • Adams Rite
      • Alarm Lock Alarm Hardware
      • ASP Alarm Control
      • Detex
      • Von Duprin
      • View All
    • Electric Strike
      • All Electric Strike
      • Adams Rite Electric Strike
      • Dynalock Electric Strike
      • Folger Adam Electric Strike
      • Hes Electric Strike
      • Locknetics Electric Strike
      • RCI Electric Strike
      • SDC Electric Strike
      • Securitron Electric Strike
      • Trine Electric Strike
      • Von Duprin Electric Strike
      • Von Duprin Monitor Strike
      • View All
    • Keypads & Readers
      • All Keypads & Readers
      • Alarm Lock Keypad
      • Dynalock 7000 Series Keyswitch
      • Dynalock 9200 Series Door Status Switches
      • Dynalock 9250 Series Door Status Switches
      • Dynalock Digital Keypads
      • iei
      • RCI Keypad & Prox Readers
      • SecuraKey
      • Securitron Keypad
      • Securitron Keyswitches
      • View All
    • Magnetic Lock
      • All Magnetic Lock
      • Alarm Lock Magnetic Locks
      • Dyna Electromagnetic Lock
      • Locknetics Magnetic Lock
      • Rutherford Controls (RCI) Mag Locks
      • SDC EM Locks
      • Securitron MagLocks
      • View All
    • Power Supplies
      • All Power Supplies
      • Adams Rite Power Supply
      • Altronix
      • Dynalock Power Supply
      • Alarm Lock Power Supply
      • iei Electronics Power Supply
      • Rutherford Controls (RCI) Power Supply
      • Securitron Power Supply
      • Securitron Power Transfers
      • Trine Power Supply
      • Von Duprin Power Supply
      • View All
    • Push Buttons
      • All Push Buttons
      • Dynalock Pushbutton
      • RCI Switches & Push Buttons
      • Securitron Push Buttons
      • Trine Push Buttons
      • View All
  • Exit Devices

    Exit Devices

    • Accentra Exit Device
      • All Accentra Exit Device
      • Yale 7100 Series Fire Rated Rim Exit Device
      • Yale 7100 Series Rim Exit Device
      • Yale 7110 Series Surface Vertical Rod Exit Device
      • Yale 7110F Surface Fire Rated Vertical Rod Device
      • Yale 7120 Series Concealed Vertical Rod Device
      • Yale 7120F Fire Rated Concealed Rod Exit Device
      • Yale 7150 Series SquareBolt Exit Device
      • Yale 7150F Series Fire Rated SquareBolt Device
      • View All
    • Adams Rite Exit Device
      • All Adams Rite Exit Device
      • Adams Rite 3100 series
      • Adams Rite 3100T series
      • Adams Rite 3100W series
      • Adams Rite 3111 series
      • Adams Rite 3111T series
      • Adams Rite 3111W series
      • Adams Rite 3122 series
      • Adams Rite 3122T series
      • Adams Rite 3122W series
      • Adams Rite 3133 series
      • Adams Rite 3133T series
      • Adams Rite 3133W series
      • Adams Rite 3300 series
      • Adams Rite 3310 series
      • Adams Rite 3320 series
      • Adams Rite 3330 series
      • Adams Rite 3600 series
      • Adams Rite 3600T series
      • Adams Rite 3611 series
      • Adams Rite 3611T series
      • Adams Rite 3622 series
      • Adams Rite 3622T series
      • Adams Rite 3633 series
      • Adams Rite 3633T series
      • Adams Rite 3700 series
      • Adams Rite 3701 series
      • Adams Rite 3702 series
      • Adams Rite 3703 series
      • Adams Rite 3900 series
      • Adams Rite 3900W series
      • Adams Rite 3911 series
      • Adams Rite 3911W series
      • Adams Rite 3922 series
      • Adams Rite 3922W series
      • Adams Rite 3933 series
      • Adams Rite 3933W series
      • Adams Rite 8100 series
      • Adams Rite 8100T series
      • Adams Rite 8111 series
      • Adams Rite 8111T series
      • Adams Rite 8122 series
      • Adams Rite 8122T series
      • Adams Rite 8133 series
      • Adams Rite 8133T series
      • Adams Rite 8200 series
      • Adams Rite 8200T series
      • Adams Rite 8211 series
      • Adams Rite 8211T series
      • Adams Rite 8222 series
      • Adams Rite 8222T series
      • Adams Rite 8233 series
      • Adams Rite 8233T series
      • Adams Rite 8300 series
      • Adams Rite 8312 series
      • Adams Rite 8322 series
      • Adams Rite 8332 series
      • Adams Rite 8400 series
      • Adams Rite 8404 series
      • Adams Rite 8410 series
      • Adams Rite 8414 series
      • Adams Rite 8420 series
      • Adams Rite 8424 series
      • Adams Rite 8430 series
      • Adams Rite 8434 series
      • Adams Rite 8500 series
      • Adams Rite 8500T series
      • Adams Rite 8511 series
      • Adams Rite 8511T series
      • Adams Rite 8522 series
      • Adams Rite 8522T series
      • Adams Rite 8533 series
      • Adams Rite 8533T series
      • Adams Rite 8600 series
      • Adams Rite 8600T series
      • Adams Rite 8611 series
      • Adams Rite 8611T series
      • Adams Rite 8622 series
      • Adams Rite 8622T series
      • Adams Rite 8633 series
      • Adams Rite 8633T series
      • Adams Rite 8700 series
      • Adams Rite 8701 series
      • Adams Rite 8702 series
      • Adams Rite 8703 series
      • Adams Rite 8800 series
      • Adams Rite 8801 series
      • Adams Rite 8802 series
      • Adams Rite 8803 series
      • Adams Rite 8900 series
      • Adams Rite 8900W series
      • Adams Rite 8911 series
      • Adams Rite 8911W series
      • Adams Rite 8922 series
      • Adams Rite 8922W series
      • Adams Rite 8933 series
      • Adams Rite 8933W series
      • View All
    • Arm-A-Dor Exit Device
    • Corbin Russwin Exit Device
      • All Corbin Russwin Exit Device
      • Corbin 5200 Series Fire Rated Rim Exit Device
      • Corbin 5200 Series Rim Exit Device
      • Corbin 5200S Fire Rated SecureBolt Exit Device
      • Corbin 5200S Series SecureBolt Exit Device
      • Corbin ED4000 Series Exit Trims
      • Corbin ED4200 Series Rim Exit Device
      • Corbin ED4200 Series SecureBolt Exit Device
      • Corbin ED4400 Series Vertical Rod Device
      • Corbin ED4800 Series Concealed Vertical Rod Device
      • Corbin ED5000 Series Exit Trims
      • Corbin ED5400 Fire Rated Vertical Rod Exit Device
      • Corbin ED5400 Surface Vertical Rod Exit Device
      • Corbin ED5470 Surface Vertical Rod Exit Device
      • Corbin ED5470B Fire Rated Vertical Rod Exit Device
      • Corbin ED5600 Fire Rated Mortise Exit Device
      • Corbin ED5600 Mortise Exit Device
      • Corbin ED5800 Concealed Vertical Rod Exit Device
      • Corbin ED5800 Fire Rated Concealed Rod Device
      • Corbin ED5800 Fire Rated Vertical Rod Exit Device
      • View All
    • Detex Exit Device
      • All Detex Exit Device
      • Detex Advantex 10 Crash Bar
      • Detex Advantex 20 Crash Bar
      • Detex Advantex 21 Crash Bar
      • Detex Advantex 40 Crash Bar
      • Detex Advantex 50 Crash Bar
      • Detex V40 Crash Bar
      • Detex V40W Weatherized Crash Bar
      • Detex V50 Crash Bar
      • Detex V51 Crash Bar
      • View All
    • Dynalock Exit Sensor Bar
    • Falcon Exit Device
      • All Falcon Exit Device
      • 24 Series
      • XX Series
      • 25 Series
      • Falcon Trim
      • View All
    • PHI Exit Device
      • All PHI Exit Device
      • PHI 2100 Series Exit Device
      • PHI 2200 Series Exit Device
      • PHI 2300 Series Exit Device
      • PHI 2400 Series Exit Device
      • PHI 2600 Series Exit Device
      • PHI 2700 Series Exit Device
      • PHI 2800 Series Exit Device
      • PHI 5100 Series Exit Device
      • PHI 5200 Series Exit Device
      • PHI Exit Device Trims
      • View All
    • Sargent Exit Device
      • All Sargent Exit Device
      • Sargent 20 Series Exit Device
      • Sargent 30 Series Exit Device
      • Sargent 80 Series Exit Device
      • Sargent 90 Series Exit Device
      • View All
    • Securitron Exit Bars and Devices
      • All Securitron Exit Bars and Devices
      • DSB Series
      • EMB Series
      • EMH Series
      • SP-1 Series
      • TSB Series
      • TSH Series
      • XMS Series
      • View All
    • Stanley Exit Device
      • All Stanley Exit Device
      • Stanley Exit Trims
      • Stanley QED100 Series
      • Stanley QED200 Series
      • View All
    • Von Duprin Exit Device
      • All Von Duprin Exit Device
      • 22 Series
      • 75 Series
      • 55 Series
      • 33A Series
      • 35A Series
      • 88 Series
      • 94 Series
      • 95 Series
      • 98 Series
      • 99 Series
      • XP98 Series
      • XP99 Series
      • Von Duprin Trim
      • Parts and Accessories
      • View All
  • Hardware

    Hardware

    • Cylinders
      • All Cylinders
      • Profile Cylinder
      • Key in Lever Cylinder
      • Guard Collar
      • Mortise Cylinder
      • Plug
      • Removable Core
      • Rim Cylinder
      • View All
    • Door Closers
      • All Door Closers
      • Dorma Door Closer
      • LCN Door Closer
      • Rixson Door Closer
      • Norton Door Closer
      • Corbin Door Closers
      • Stanley Door Closers
      • Sargent Door Closer
      • Yale Door Closers
      • View All
    • Faceplates
      • All Faceplates
      • Adams Rite Faceplate
      • View All
    • Flushbolt
      • All Flushbolt
      • Adams Rite 1870 series
      • Adams Rite 1870HM series
      • Adams Rite 1871 series
      • Adams Rite 1871W series
      • Adams Rite 1872 series
      • Adams Rite 1877 series
      • Adams Rite MS1880 series
      • Adams Rite MS1881 series
      • Adams Rite MS2180 series
      • Adams Rite MS2181 series
      • Adams Rite MS2182 series
      • View All
    • Gate Box
    • Gate Lock
    • Hinges
      • All Hinges
      • Don Jo
      • Ives
      • Soss
      • Stanley
      • View All
    • Holders & Stops
      • All Holders & Stops
      • Glynn Johnson 100 Series
      • Glynn Johnson 280 Sensaguard
      • Glynn Johnson 410 Series
      • Glynn Johnson 450 Series
      • Glynn Johnson 70 Series
      • Glynn Johnson 79 Series
      • Glynn Johnson 81 Series
      • Glynn Johnson 90 Series
      • View All
    • Key Blanks
    • Key Cabinet
      • All Key Cabinet
      • Master Lock
      • Supra (GE Security)
      • View All
    • Kick Plate
      • All Kick Plate
      • Ives Protection Plates
      • View All
    • Lock Box
      • All Lock Box
      • Master Lock
      • Supra (GE Security)
      • View All
    • Misc
    • Mullion
      • All Mullion
      • Detex Mullion
      • View All
    • Padlocks
      • All Padlocks
      • Master Lock
      • View All
    • Pivots
      • All Pivots
      • Ives Pivots
      • View All
    • Push & Pull Latch
      • All Push & Pull Latch
      • Glynn Johnson HL6 Push and Pull Latch
      • Glynn Johnson HL6 Push and Pull with Mortise Lock
      • Glynn Johnson PL7 Push Side Thumbturn
      • Glynn Johnson PL8 Pull Side Thumbturn
      • View All
    • Push & Pull Plate
    • Strike Plates
      • All Strike Plates
      • Don Jo Strike Plates
      • Dynalock 4000 Series Filler Plates
      • View All
    • Tools
      • All Tools
      • Pin Kit
      • Safe Key
      • View All
  • Manufacturer

    Manufacturer

    • BEST
    • Framon
    • Hager
    • KSP
    • Pro-Lok
    • Rytan
    • Adams Rite
    • Altronix
    • Amsec
    • Arm-A-Dor
    • Arrow Lock
    • ASP Alarm Control
    • Baldwin Hardware
    • Camden
    • Centrios
    • Corbin Russwin
    • Detex
    • Don Jo
    • Dorma
    • Dynalock
    • Falcon
    • Folger Adam
    • GE Security
    • Glynn Johnson
    • GMS
    • HES
    • HID
    • HPC
    • IEI
    • Ives
    • Kaba Ilco
    • Kaba Ilco Access Cards
    • Kaba Ilco E Plex
    • Kaba Ilco Key Machine
    • Kaba Ilco Simplex
    • Keedex
    • Linear
    • Lock Depot
      • All Lock Depot
      • Merch
      • View All
    • Locknetics
    • Master Lock
    • Medeco
    • Norton
    • Olympus
    • PHI
    • Pro Lock
    • Protex Safes
    • Rixson
    • Rutherford Controls (RCI)
    • Sargent
    • Sargent Greenleaf
    • Schlage
    • Schlage Electronics
    • Schlage Residential
    • SDC
    • Securitron
    • Silca
    • Soss Hinges
    • Stanley Hardware
    • Supra
    • TownSteel
    • Trine
    • V-Line
    • Von Duprin
    • Von Duprin Electric Strikes
    • Yale
  • Safes

    Safes

    • Burglary Safe
      • All Burglary Safe
      • Amsec
      • Protex Safe
      • View All
    • Cash Box
    • Commercial Safe
      • All Commercial Safe
      • Amsec
      • View All
    • Depository Safe
      • All Depository Safe
      • Amsec
      • Protex Safe
      • View All
    • Drop Box
      • All Drop Box
      • Protex Safe
      • View All
    • Fingerprint Safe
      • All Fingerprint Safe
      • Protex Safe
      • View All
    • Floor Safe
      • All Floor Safe
      • Amsec
      • View All
    • Gun Safe
      • All Gun Safe
      • Amsec
      • View All
    • Hotel Safe
      • All Hotel Safe
      • Amsec
      • View All
    • Media Safe
    • Misc
    • Pistol Safe
      • All Pistol Safe
      • Amsec
      • V-Line
      • View All
    • Security Safe
      • All Security Safe
      • Amsec
      • View All
    • Wall Safe
      • All Wall Safe
      • Amsec
      • V-Line
      • View All
  • Key Machine

    Key Machine

    • Automatic Machine
      • All Automatic Machine
      • HPC
      • Kaba Ilco
      • View All
    • Manual Machine
      • All Manual Machine
      • Kaba Ilco
      • View All
    • Parts
    • Punch Machine
    • Semi-Automatic Machine
      • All Semi-Automatic Machine
      • Bravo
      • HPC
      • Kaba Ilco
      • View All
    • Tubular Machine

  • Shop by Brand

  • Corbin Russwin
  • Von Duprin
  • Best
  • Schlage
  • Sargent
  • Stanley Hardware
  • Rixson
  • Falcon
  • Yale
  • PHI
  • View all Brands
    • Main Menu

    • Request a Quote
    • Shop by Brand
    • About us
    • Shipping & Returns
    • Contact Us
    • Shop By Category

    • Shop by Industry
      • Education & Campus Safety
      • Government & Military
      • Industrial & Warehouse
      • Healthcare & Hospitals
      • Retail & Property Management
      • Hospitality & Multi-Family
      • Religious & Non-Profit
      • Banking & Finance
    • Locks
      • Cylindrical Locks
        • Sargent Cylindrical Locks
      • Mortise Locks
        • Sargent Mortise Locks
      • Cabinet Lock
        • Hes Cabinet Lock
        • RCI Cabinet Lock
        • Olympus Cabinet Lock
      • Deadbolts
        • Arrow Lock Deadbolts
        • Adams Rite Locks
        • Alarm Lock Electric Deadbolts
        • Best Deadbolts
        • Corbin Deadbolt
        • Dynalock
        • Sargent Deadbolt Lock
        • Schlage Deadbolt
        • SDC Mortise Bolt Lock
        • Stanley Deadbolt Lock
      • Keyless Locks
        • Electronic Lock
        • Mechanical Lock
      • Knob Lock
        • Arrow CK Series
        • Arrow MK Knobs
        • Sargent 6 Line Series
        • Schlage A Series
        • Schlage D Series
        • Schlage F Series
      • Lever Lock
        • Arrow Lever Lock
        • Best Lever Lock
        • Sargent Lever Lock
        • Schlage Lever Lock
        • Stanley Lever Lock
        • Yale Lever Lock
        • Adams Rite Trim
      • Mortise Lock
        • Best Mortise Lock
        • Sargent Mortise Lock
        • Arrow Mortise Lock
        • Corbin Russwin ML2000 Series
        • Falcon MA Series
        • Schlage L Series
        • SDC Z7800 Electric Lever Lockset
        • Stanley Mortise Lock
        • Townsteel
        • Yale 8800 Series
    • Electronics
      • Alarm Hardware
        • Adams Rite
        • Alarm Lock Alarm Hardware
        • ASP Alarm Control
        • Detex
        • Von Duprin
      • Electric Strike
        • Adams Rite Electric Strike
        • Dynalock Electric Strike
        • Folger Adam Electric Strike
        • Hes Electric Strike
        • Locknetics Electric Strike
        • RCI Electric Strike
        • SDC Electric Strike
        • Securitron Electric Strike
        • Trine Electric Strike
        • Von Duprin Electric Strike
        • Von Duprin Monitor Strike
      • Keypads & Readers
        • Alarm Lock Keypad
        • Dynalock 7000 Series Keyswitch
        • Dynalock 9200 Series Door Status Switches
        • Dynalock 9250 Series Door Status Switches
        • Dynalock Digital Keypads
        • iei
        • RCI Keypad & Prox Readers
        • SecuraKey
        • Securitron Keypad
        • Securitron Keyswitches
      • Magnetic Lock
        • Alarm Lock Magnetic Locks
        • Dyna Electromagnetic Lock
        • Locknetics Magnetic Lock
        • Rutherford Controls (RCI) Mag Locks
        • SDC EM Locks
        • Securitron MagLocks
      • Power Supplies
        • Adams Rite Power Supply
        • Altronix
        • Dynalock Power Supply
        • Alarm Lock Power Supply
        • iei Electronics Power Supply
        • Rutherford Controls (RCI) Power Supply
        • Securitron Power Supply
        • Securitron Power Transfers
        • Trine Power Supply
        • Von Duprin Power Supply
      • Push Buttons
        • Dynalock Pushbutton
        • RCI Switches & Push Buttons
        • Securitron Push Buttons
        • Trine Push Buttons
    • Exit Devices
      • Accentra Exit Device
        • Yale 7100 Series Fire Rated Rim Exit Device
        • Yale 7100 Series Rim Exit Device
        • Yale 7110 Series Surface Vertical Rod Exit Device
        • Yale 7110F Surface Fire Rated Vertical Rod Device
        • Yale 7120 Series Concealed Vertical Rod Device
        • Yale 7120F Fire Rated Concealed Rod Exit Device
        • Yale 7150 Series SquareBolt Exit Device
        • Yale 7150F Series Fire Rated SquareBolt Device
      • Adams Rite Exit Device
        • Adams Rite 3100 series
        • Adams Rite 3100T series
        • Adams Rite 3100W series
        • Adams Rite 3111 series
        • Adams Rite 3111T series
        • Adams Rite 3111W series
        • Adams Rite 3122 series
        • Adams Rite 3122T series
        • Adams Rite 3122W series
        • Adams Rite 3133 series
        • Adams Rite 3133T series
        • Adams Rite 3133W series
        • Adams Rite 3300 series
        • Adams Rite 3310 series
        • Adams Rite 3320 series
        • Adams Rite 3330 series
        • Adams Rite 3600 series
        • Adams Rite 3600T series
        • Adams Rite 3611 series
        • Adams Rite 3611T series
        • Adams Rite 3622 series
        • Adams Rite 3622T series
        • Adams Rite 3633 series
        • Adams Rite 3633T series
        • Adams Rite 3700 series
        • Adams Rite 3701 series
        • Adams Rite 3702 series
        • Adams Rite 3703 series
        • Adams Rite 3900 series
        • Adams Rite 3900W series
        • Adams Rite 3911 series
        • Adams Rite 3911W series
        • Adams Rite 3922 series
        • Adams Rite 3922W series
        • Adams Rite 3933 series
        • Adams Rite 3933W series
        • Adams Rite 8100 series
        • Adams Rite 8100T series
        • Adams Rite 8111 series
        • Adams Rite 8111T series
        • Adams Rite 8122 series
        • Adams Rite 8122T series
        • Adams Rite 8133 series
        • Adams Rite 8133T series
        • Adams Rite 8200 series
        • Adams Rite 8200T series
        • Adams Rite 8211 series
        • Adams Rite 8211T series
        • Adams Rite 8222 series
        • Adams Rite 8222T series
        • Adams Rite 8233 series
        • Adams Rite 8233T series
        • Adams Rite 8300 series
        • Adams Rite 8312 series
        • Adams Rite 8322 series
        • Adams Rite 8332 series
        • Adams Rite 8400 series
        • Adams Rite 8404 series
        • Adams Rite 8410 series
        • Adams Rite 8414 series
        • Adams Rite 8420 series
        • Adams Rite 8424 series
        • Adams Rite 8430 series
        • Adams Rite 8434 series
        • Adams Rite 8500 series
        • Adams Rite 8500T series
        • Adams Rite 8511 series
        • Adams Rite 8511T series
        • Adams Rite 8522 series
        • Adams Rite 8522T series
        • Adams Rite 8533 series
        • Adams Rite 8533T series
        • Adams Rite 8600 series
        • Adams Rite 8600T series
        • Adams Rite 8611 series
        • Adams Rite 8611T series
        • Adams Rite 8622 series
        • Adams Rite 8622T series
        • Adams Rite 8633 series
        • Adams Rite 8633T series
        • Adams Rite 8700 series
        • Adams Rite 8701 series
        • Adams Rite 8702 series
        • Adams Rite 8703 series
        • Adams Rite 8800 series
        • Adams Rite 8801 series
        • Adams Rite 8802 series
        • Adams Rite 8803 series
        • Adams Rite 8900 series
        • Adams Rite 8900W series
        • Adams Rite 8911 series
        • Adams Rite 8911W series
        • Adams Rite 8922 series
        • Adams Rite 8922W series
        • Adams Rite 8933 series
        • Adams Rite 8933W series
      • Arm-A-Dor Exit Device
      • Corbin Russwin Exit Device
        • Corbin 5200 Series Fire Rated Rim Exit Device
        • Corbin 5200 Series Rim Exit Device
        • Corbin 5200S Fire Rated SecureBolt Exit Device
        • Corbin 5200S Series SecureBolt Exit Device
        • Corbin ED4000 Series Exit Trims
        • Corbin ED4200 Series Rim Exit Device
        • Corbin ED4200 Series SecureBolt Exit Device
        • Corbin ED4400 Series Vertical Rod Device
        • Corbin ED4800 Series Concealed Vertical Rod Device
        • Corbin ED5000 Series Exit Trims
        • Corbin ED5400 Fire Rated Vertical Rod Exit Device
        • Corbin ED5400 Surface Vertical Rod Exit Device
        • Corbin ED5470 Surface Vertical Rod Exit Device
        • Corbin ED5470B Fire Rated Vertical Rod Exit Device
        • Corbin ED5600 Fire Rated Mortise Exit Device
        • Corbin ED5600 Mortise Exit Device
        • Corbin ED5800 Concealed Vertical Rod Exit Device
        • Corbin ED5800 Fire Rated Concealed Rod Device
        • Corbin ED5800 Fire Rated Vertical Rod Exit Device
      • Detex Exit Device
        • Detex Advantex 10 Crash Bar
        • Detex Advantex 20 Crash Bar
        • Detex Advantex 21 Crash Bar
        • Detex Advantex 40 Crash Bar
        • Detex Advantex 50 Crash Bar
        • Detex V40 Crash Bar
        • Detex V40W Weatherized Crash Bar
        • Detex V50 Crash Bar
        • Detex V51 Crash Bar
      • Dynalock Exit Sensor Bar
      • Falcon Exit Device
        • 24 Series
        • XX Series
        • 25 Series
        • Falcon Trim
      • PHI Exit Device
        • PHI 2100 Series Exit Device
        • PHI 2200 Series Exit Device
        • PHI 2300 Series Exit Device
        • PHI 2400 Series Exit Device
        • PHI 2600 Series Exit Device
        • PHI 2700 Series Exit Device
        • PHI 2800 Series Exit Device
        • PHI 5100 Series Exit Device
        • PHI 5200 Series Exit Device
        • PHI Exit Device Trims
      • Sargent Exit Device
        • Sargent 20 Series Exit Device
        • Sargent 30 Series Exit Device
        • Sargent 80 Series Exit Device
        • Sargent 90 Series Exit Device
      • Securitron Exit Bars and Devices
        • DSB Series
        • EMB Series
        • EMH Series
        • SP-1 Series
        • TSB Series
        • TSH Series
        • XMS Series
      • Stanley Exit Device
        • Stanley Exit Trims
        • Stanley QED100 Series
        • Stanley QED200 Series
      • Von Duprin Exit Device
        • 22 Series
        • 75 Series
        • 55 Series
        • 33A Series
        • 35A Series
        • 88 Series
        • 94 Series
        • 95 Series
        • 98 Series
        • 99 Series
        • XP98 Series
        • XP99 Series
        • Von Duprin Trim
        • Parts and Accessories
    • Hardware
      • Cylinders
        • Profile Cylinder
        • Key in Lever Cylinder
        • Guard Collar
        • Mortise Cylinder
        • Plug
        • Removable Core
        • Rim Cylinder
      • Door Closers
        • Dorma Door Closer
        • LCN Door Closer
        • Rixson Door Closer
        • Norton Door Closer
        • Corbin Door Closers
        • Stanley Door Closers
        • Sargent Door Closer
        • Yale Door Closers
      • Faceplates
        • Adams Rite Faceplate
      • Flushbolt
        • Adams Rite 1870 series
        • Adams Rite 1870HM series
        • Adams Rite 1871 series
        • Adams Rite 1871W series
        • Adams Rite 1872 series
        • Adams Rite 1877 series
        • Adams Rite MS1880 series
        • Adams Rite MS1881 series
        • Adams Rite MS2180 series
        • Adams Rite MS2181 series
        • Adams Rite MS2182 series
      • Gate Box
      • Gate Lock
      • Hinges
        • Don Jo
        • Ives
        • Soss
        • Stanley
      • Holders & Stops
        • Glynn Johnson 100 Series
        • Glynn Johnson 280 Sensaguard
        • Glynn Johnson 410 Series
        • Glynn Johnson 450 Series
        • Glynn Johnson 70 Series
        • Glynn Johnson 79 Series
        • Glynn Johnson 81 Series
        • Glynn Johnson 90 Series
      • Key Blanks
      • Key Cabinet
        • Master Lock
        • Supra (GE Security)
      • Kick Plate
        • Ives Protection Plates
      • Lock Box
        • Master Lock
        • Supra (GE Security)
      • Misc
      • Mullion
        • Detex Mullion
      • Padlocks
        • Master Lock
      • Pivots
        • Ives Pivots
      • Push & Pull Latch
        • Glynn Johnson HL6 Push and Pull Latch
        • Glynn Johnson HL6 Push and Pull with Mortise Lock
        • Glynn Johnson PL7 Push Side Thumbturn
        • Glynn Johnson PL8 Pull Side Thumbturn
      • Push & Pull Plate
      • Strike Plates
        • Don Jo Strike Plates
        • Dynalock 4000 Series Filler Plates
      • Tools
        • Pin Kit
        • Safe Key
    • Manufacturer
      • BEST
      • Framon
      • Hager
      • KSP
      • Pro-Lok
      • Rytan
      • Adams Rite
      • Altronix
      • Amsec
      • Arm-A-Dor
      • Arrow Lock
      • ASP Alarm Control
      • Baldwin Hardware
      • Camden
      • Centrios
      • Corbin Russwin
      • Detex
      • Don Jo
      • Dorma
      • Dynalock
      • Falcon
      • Folger Adam
      • GE Security
      • Glynn Johnson
      • GMS
      • HES
      • HID
      • HPC
      • IEI
      • Ives
      • Kaba Ilco
      • Kaba Ilco Access Cards
      • Kaba Ilco E Plex
      • Kaba Ilco Key Machine
      • Kaba Ilco Simplex
      • Keedex
      • Linear
      • Lock Depot
        • Merch
      • Locknetics
      • Master Lock
      • Medeco
      • Norton
      • Olympus
      • PHI
      • Pro Lock
      • Protex Safes
      • Rixson
      • Rutherford Controls (RCI)
      • Sargent
      • Sargent Greenleaf
      • Schlage
      • Schlage Electronics
      • Schlage Residential
      • SDC
      • Securitron
      • Silca
      • Soss Hinges
      • Stanley Hardware
      • Supra
      • TownSteel
      • Trine
      • V-Line
      • Von Duprin
      • Von Duprin Electric Strikes
      • Yale
    • Safes
      • Burglary Safe
        • Amsec
        • Protex Safe
      • Cash Box
      • Commercial Safe
        • Amsec
      • Depository Safe
        • Amsec
        • Protex Safe
      • Drop Box
        • Protex Safe
      • Fingerprint Safe
        • Protex Safe
      • Floor Safe
        • Amsec
      • Gun Safe
        • Amsec
      • Hotel Safe
        • Amsec
      • Media Safe
      • Misc
      • Pistol Safe
        • Amsec
        • V-Line
      • Security Safe
        • Amsec
      • Wall Safe
        • Amsec
        • V-Line
    • Key Machine
      • Automatic Machine
        • HPC
        • Kaba Ilco
      • Manual Machine
        • Kaba Ilco
      • Parts
      • Punch Machine
      • Semi-Automatic Machine
        • Bravo
        • HPC
        • Kaba Ilco
      • Tubular Machine
    • Shop By Brand

    • Corbin Russwin
    • Von Duprin
    • Best
    • Schlage
    • Sargent
    • Stanley Hardware
    • Rixson
    • Falcon
    • Yale
    • PHI
    • View all Brands
    Reset Search ×
    • 0
    • Home
    • Locks
    • Mortise Lock
    • Corbin Russwin ML2000 Series
    • ML2055-DSP-606-LC-RH Corbin Russwin ML2000 Series Mortise Classroom Locksets with Drike Lever in Satin Brass
  • Shop by Industry
    • All Shop by Industry
    • Education & Campus Safety
    • Government & Military
    • Industrial & Warehouse
    • Healthcare & Hospitals
    • Retail & Property Management
    • Hospitality & Multi-Family
    • Religious & Non-Profit
    • Banking & Finance
  • Locks
    • All Locks
    • Cylindrical Locks
      • All Cylindrical Locks
      • Sargent Cylindrical Locks
    • Mortise Locks
      • All Mortise Locks
      • Sargent Mortise Locks
    • Cabinet Lock
      • All Cabinet Lock
      • Hes Cabinet Lock
      • RCI Cabinet Lock
      • Olympus Cabinet Lock
    • Deadbolts
      • All Deadbolts
      • Arrow Lock Deadbolts
      • Adams Rite Locks
      • Alarm Lock Electric Deadbolts
      • Best Deadbolts
      • Corbin Deadbolt
      • Dynalock
      • Sargent Deadbolt Lock
      • Schlage Deadbolt
      • SDC Mortise Bolt Lock
      • Stanley Deadbolt Lock
    • Keyless Locks
      • All Keyless Locks
      • Electronic Lock
      • Mechanical Lock
    • Knob Lock
      • All Knob Lock
      • Arrow CK Series
      • Arrow MK Knobs
      • Sargent 6 Line Series
      • Schlage A Series
      • Schlage D Series
      • Schlage F Series
    • Lever Lock
      • All Lever Lock
      • Arrow Lever Lock
      • Best Lever Lock
      • Sargent Lever Lock
      • Schlage Lever Lock
      • Stanley Lever Lock
      • Yale Lever Lock
      • Adams Rite Trim
    • Mortise Lock
      • All Mortise Lock
      • Best Mortise Lock
      • Sargent Mortise Lock
      • Arrow Mortise Lock
      • Corbin Russwin ML2000 Series
      • Falcon MA Series
      • Schlage L Series
      • SDC Z7800 Electric Lever Lockset
      • Stanley Mortise Lock
      • Townsteel
      • Yale 8800 Series
  • Electronics
    • All Electronics
    • Alarm Hardware
      • All Alarm Hardware
      • Adams Rite
      • Alarm Lock Alarm Hardware
      • ASP Alarm Control
      • Detex
      • Von Duprin
    • Electric Strike
      • All Electric Strike
      • Adams Rite Electric Strike
      • Dynalock Electric Strike
      • Folger Adam Electric Strike
      • Hes Electric Strike
      • Locknetics Electric Strike
      • RCI Electric Strike
      • SDC Electric Strike
      • Securitron Electric Strike
      • Trine Electric Strike
      • Von Duprin Electric Strike
      • Von Duprin Monitor Strike
    • Keypads & Readers
      • All Keypads & Readers
      • Alarm Lock Keypad
      • Dynalock 7000 Series Keyswitch
      • Dynalock 9200 Series Door Status Switches
      • Dynalock 9250 Series Door Status Switches
      • Dynalock Digital Keypads
      • iei
      • RCI Keypad & Prox Readers
      • SecuraKey
      • Securitron Keypad
      • Securitron Keyswitches
    • Magnetic Lock
      • All Magnetic Lock
      • Alarm Lock Magnetic Locks
      • Dyna Electromagnetic Lock
      • Locknetics Magnetic Lock
      • Rutherford Controls (RCI) Mag Locks
      • SDC EM Locks
      • Securitron MagLocks
    • Power Supplies
      • All Power Supplies
      • Adams Rite Power Supply
      • Altronix
      • Dynalock Power Supply
      • Alarm Lock Power Supply
      • iei Electronics Power Supply
      • Rutherford Controls (RCI) Power Supply
      • Securitron Power Supply
      • Securitron Power Transfers
      • Trine Power Supply
      • Von Duprin Power Supply
    • Push Buttons
      • All Push Buttons
      • Dynalock Pushbutton
      • RCI Switches & Push Buttons
      • Securitron Push Buttons
      • Trine Push Buttons
  • Exit Devices
    • All Exit Devices
    • Accentra Exit Device
      • All Accentra Exit Device
      • Yale 7100 Series Fire Rated Rim Exit Device
      • Yale 7100 Series Rim Exit Device
      • Yale 7110 Series Surface Vertical Rod Exit Device
      • Yale 7110F Surface Fire Rated Vertical Rod Device
      • Yale 7120 Series Concealed Vertical Rod Device
      • Yale 7120F Fire Rated Concealed Rod Exit Device
      • Yale 7150 Series SquareBolt Exit Device
      • Yale 7150F Series Fire Rated SquareBolt Device
    • Adams Rite Exit Device
      • All Adams Rite Exit Device
      • Adams Rite 3100 series
      • Adams Rite 3100T series
      • Adams Rite 3100W series
      • Adams Rite 3111 series
      • Adams Rite 3111T series
      • Adams Rite 3111W series
      • Adams Rite 3122 series
      • Adams Rite 3122T series
      • Adams Rite 3122W series
      • Adams Rite 3133 series
      • Adams Rite 3133T series
      • Adams Rite 3133W series
      • Adams Rite 3300 series
      • Adams Rite 3310 series
      • Adams Rite 3320 series
      • Adams Rite 3330 series
      • Adams Rite 3600 series
      • Adams Rite 3600T series
      • Adams Rite 3611 series
      • Adams Rite 3611T series
      • Adams Rite 3622 series
      • Adams Rite 3622T series
      • Adams Rite 3633 series
      • Adams Rite 3633T series
      • Adams Rite 3700 series
      • Adams Rite 3701 series
      • Adams Rite 3702 series
      • Adams Rite 3703 series
      • Adams Rite 3900 series
      • Adams Rite 3900W series
      • Adams Rite 3911 series
      • Adams Rite 3911W series
      • Adams Rite 3922 series
      • Adams Rite 3922W series
      • Adams Rite 3933 series
      • Adams Rite 3933W series
      • Adams Rite 8100 series
      • Adams Rite 8100T series
      • Adams Rite 8111 series
      • Adams Rite 8111T series
      • Adams Rite 8122 series
      • Adams Rite 8122T series
      • Adams Rite 8133 series
      • Adams Rite 8133T series
      • Adams Rite 8200 series
      • Adams Rite 8200T series
      • Adams Rite 8211 series
      • Adams Rite 8211T series
      • Adams Rite 8222 series
      • Adams Rite 8222T series
      • Adams Rite 8233 series
      • Adams Rite 8233T series
      • Adams Rite 8300 series
      • Adams Rite 8312 series
      • Adams Rite 8322 series
      • Adams Rite 8332 series
      • Adams Rite 8400 series
      • Adams Rite 8404 series
      • Adams Rite 8410 series
      • Adams Rite 8414 series
      • Adams Rite 8420 series
      • Adams Rite 8424 series
      • Adams Rite 8430 series
      • Adams Rite 8434 series
      • Adams Rite 8500 series
      • Adams Rite 8500T series
      • Adams Rite 8511 series
      • Adams Rite 8511T series
      • Adams Rite 8522 series
      • Adams Rite 8522T series
      • Adams Rite 8533 series
      • Adams Rite 8533T series
      • Adams Rite 8600 series
      • Adams Rite 8600T series
      • Adams Rite 8611 series
      • Adams Rite 8611T series
      • Adams Rite 8622 series
      • Adams Rite 8622T series
      • Adams Rite 8633 series
      • Adams Rite 8633T series
      • Adams Rite 8700 series
      • Adams Rite 8701 series
      • Adams Rite 8702 series
      • Adams Rite 8703 series
      • Adams Rite 8800 series
      • Adams Rite 8801 series
      • Adams Rite 8802 series
      • Adams Rite 8803 series
      • Adams Rite 8900 series
      • Adams Rite 8900W series
      • Adams Rite 8911 series
      • Adams Rite 8911W series
      • Adams Rite 8922 series
      • Adams Rite 8922W series
      • Adams Rite 8933 series
      • Adams Rite 8933W series
    • Arm-A-Dor Exit Device
    • Corbin Russwin Exit Device
      • All Corbin Russwin Exit Device
      • Corbin 5200 Series Fire Rated Rim Exit Device
      • Corbin 5200 Series Rim Exit Device
      • Corbin 5200S Fire Rated SecureBolt Exit Device
      • Corbin 5200S Series SecureBolt Exit Device
      • Corbin ED4000 Series Exit Trims
      • Corbin ED4200 Series Rim Exit Device
      • Corbin ED4200 Series SecureBolt Exit Device
      • Corbin ED4400 Series Vertical Rod Device
      • Corbin ED4800 Series Concealed Vertical Rod Device
      • Corbin ED5000 Series Exit Trims
      • Corbin ED5400 Fire Rated Vertical Rod Exit Device
      • Corbin ED5400 Surface Vertical Rod Exit Device
      • Corbin ED5470 Surface Vertical Rod Exit Device
      • Corbin ED5470B Fire Rated Vertical Rod Exit Device
      • Corbin ED5600 Fire Rated Mortise Exit Device
      • Corbin ED5600 Mortise Exit Device
      • Corbin ED5800 Concealed Vertical Rod Exit Device
      • Corbin ED5800 Fire Rated Concealed Rod Device
      • Corbin ED5800 Fire Rated Vertical Rod Exit Device
    • Detex Exit Device
      • All Detex Exit Device
      • Detex Advantex 10 Crash Bar
      • Detex Advantex 20 Crash Bar
      • Detex Advantex 21 Crash Bar
      • Detex Advantex 40 Crash Bar
      • Detex Advantex 50 Crash Bar
      • Detex V40 Crash Bar
      • Detex V40W Weatherized Crash Bar
      • Detex V50 Crash Bar
      • Detex V51 Crash Bar
    • Dynalock Exit Sensor Bar
    • Falcon Exit Device
      • All Falcon Exit Device
      • 24 Series
      • XX Series
      • 25 Series
      • Falcon Trim
    • PHI Exit Device
      • All PHI Exit Device
      • PHI 2100 Series Exit Device
      • PHI 2200 Series Exit Device
      • PHI 2300 Series Exit Device
      • PHI 2400 Series Exit Device
      • PHI 2600 Series Exit Device
      • PHI 2700 Series Exit Device
      • PHI 2800 Series Exit Device
      • PHI 5100 Series Exit Device
      • PHI 5200 Series Exit Device
      • PHI Exit Device Trims
    • Sargent Exit Device
      • All Sargent Exit Device
      • Sargent 20 Series Exit Device
      • Sargent 30 Series Exit Device
      • Sargent 80 Series Exit Device
      • Sargent 90 Series Exit Device
    • Securitron Exit Bars and Devices
      • All Securitron Exit Bars and Devices
      • DSB Series
      • EMB Series
      • EMH Series
      • SP-1 Series
      • TSB Series
      • TSH Series
      • XMS Series
    • Stanley Exit Device
      • All Stanley Exit Device
      • Stanley Exit Trims
      • Stanley QED100 Series
      • Stanley QED200 Series
    • Von Duprin Exit Device
      • All Von Duprin Exit Device
      • 22 Series
      • 75 Series
      • 55 Series
      • 33A Series
      • 35A Series
      • 88 Series
      • 94 Series
      • 95 Series
      • 98 Series
      • 99 Series
      • XP98 Series
      • XP99 Series
      • Von Duprin Trim
      • Parts and Accessories
  • Hardware
    • All Hardware
    • Cylinders
      • All Cylinders
      • Profile Cylinder
      • Key in Lever Cylinder
      • Guard Collar
      • Mortise Cylinder
      • Plug
      • Removable Core
      • Rim Cylinder
    • Door Closers
      • All Door Closers
      • Dorma Door Closer
      • LCN Door Closer
      • Rixson Door Closer
      • Norton Door Closer
      • Corbin Door Closers
      • Stanley Door Closers
      • Sargent Door Closer
      • Yale Door Closers
    • Faceplates
      • All Faceplates
      • Adams Rite Faceplate
    • Flushbolt
      • All Flushbolt
      • Adams Rite 1870 series
      • Adams Rite 1870HM series
      • Adams Rite 1871 series
      • Adams Rite 1871W series
      • Adams Rite 1872 series
      • Adams Rite 1877 series
      • Adams Rite MS1880 series
      • Adams Rite MS1881 series
      • Adams Rite MS2180 series
      • Adams Rite MS2181 series
      • Adams Rite MS2182 series
    • Gate Box
    • Gate Lock
    • Hinges
      • All Hinges
      • Don Jo
      • Ives
      • Soss
      • Stanley
    • Holders & Stops
      • All Holders & Stops
      • Glynn Johnson 100 Series
      • Glynn Johnson 280 Sensaguard
      • Glynn Johnson 410 Series
      • Glynn Johnson 450 Series
      • Glynn Johnson 70 Series
      • Glynn Johnson 79 Series
      • Glynn Johnson 81 Series
      • Glynn Johnson 90 Series
    • Key Blanks
    • Key Cabinet
      • All Key Cabinet
      • Master Lock
      • Supra (GE Security)
    • Kick Plate
      • All Kick Plate
      • Ives Protection Plates
    • Lock Box
      • All Lock Box
      • Master Lock
      • Supra (GE Security)
    • Misc
    • Mullion
      • All Mullion
      • Detex Mullion
    • Padlocks
      • All Padlocks
      • Master Lock
    • Pivots
      • All Pivots
      • Ives Pivots
    • Push & Pull Latch
      • All Push & Pull Latch
      • Glynn Johnson HL6 Push and Pull Latch
      • Glynn Johnson HL6 Push and Pull with Mortise Lock
      • Glynn Johnson PL7 Push Side Thumbturn
      • Glynn Johnson PL8 Pull Side Thumbturn
    • Push & Pull Plate
    • Strike Plates
      • All Strike Plates
      • Don Jo Strike Plates
      • Dynalock 4000 Series Filler Plates
    • Tools
      • All Tools
      • Pin Kit
      • Safe Key
  • Manufacturer
    • All Manufacturer
    • BEST
    • Framon
    • Hager
    • KSP
    • Pro-Lok
    • Rytan
    • Adams Rite
    • Altronix
    • Amsec
    • Arm-A-Dor
    • Arrow Lock
    • ASP Alarm Control
    • Baldwin Hardware
    • Camden
    • Centrios
    • Corbin Russwin
    • Detex
    • Don Jo
    • Dorma
    • Dynalock
    • Falcon
    • Folger Adam
    • GE Security
    • Glynn Johnson
    • GMS
    • HES
    • HID
    • HPC
    • IEI
    • Ives
    • Kaba Ilco
    • Kaba Ilco Access Cards
    • Kaba Ilco E Plex
    • Kaba Ilco Key Machine
    • Kaba Ilco Simplex
    • Keedex
    • Linear
    • Lock Depot
      • All Lock Depot
      • Merch
    • Locknetics
    • Master Lock
    • Medeco
    • Norton
    • Olympus
    • PHI
    • Pro Lock
    • Protex Safes
    • Rixson
    • Rutherford Controls (RCI)
    • Sargent
    • Sargent Greenleaf
    • Schlage
    • Schlage Electronics
    • Schlage Residential
    • SDC
    • Securitron
    • Silca
    • Soss Hinges
    • Stanley Hardware
    • Supra
    • TownSteel
    • Trine
    • V-Line
    • Von Duprin
    • Von Duprin Electric Strikes
    • Yale
  • Safes
    • All Safes
    • Burglary Safe
      • All Burglary Safe
      • Amsec
      • Protex Safe
    • Cash Box
    • Commercial Safe
      • All Commercial Safe
      • Amsec
    • Depository Safe
      • All Depository Safe
      • Amsec
      • Protex Safe
    • Drop Box
      • All Drop Box
      • Protex Safe
    • Fingerprint Safe
      • All Fingerprint Safe
      • Protex Safe
    • Floor Safe
      • All Floor Safe
      • Amsec
    • Gun Safe
      • All Gun Safe
      • Amsec
    • Hotel Safe
      • All Hotel Safe
      • Amsec
    • Media Safe
    • Misc
    • Pistol Safe
      • All Pistol Safe
      • Amsec
      • V-Line
    • Security Safe
      • All Security Safe
      • Amsec
    • Wall Safe
      • All Wall Safe
      • Amsec
      • V-Line
  • Key Machine
    • All Key Machine
    • Automatic Machine
      • All Automatic Machine
      • HPC
      • Kaba Ilco
    • Manual Machine
      • All Manual Machine
      • Kaba Ilco
    • Parts
    • Punch Machine
    • Semi-Automatic Machine
      • All Semi-Automatic Machine
      • Bravo
      • HPC
      • Kaba Ilco
    • Tubular Machine
  • Shop by Brand
  • Corbin Russwin
  • Von Duprin
  • Best
  • Schlage
  • Sargent
  • Stanley Hardware
  • Rixson
  • Falcon
  • Yale
  • PHI
  • View all Brands
  • ML2055-DSP-606-LC-RH Corbin Russwin ML2000 Series Mortise Classroom Locksets with Drike Lever in Satin Brass
  • ML2055-DSP-606-LC-RH Corbin Russwin ML2000 Series Mortise Classroom Locksets with Drike Lever in Satin Brass
  • ML2055-DSP-606-LC-RH Corbin Russwin ML2000 Series Mortise Classroom Locksets with Drike Lever in Satin Brass ML2055-DSP-606-LC-RH Corbin Russwin ML2000 Series Mortise Classroom Locksets with Drike Lever in Satin Brass

    ML2055-DSP-606-LC-RH Corbin Russwin ML2000 Series Mortise Classroom Locksets with Drike Lever in Satin Brass

    Corbin Russwin

    SKU: ML2055-DSP-606-LC-RH

    MSRP: $1,416.00
    Was:
    Now: $925.85
    (You save $490.15 )

    Adding to cart… category.add_cart_announcement
    • Email
    • Print
    SKU:
    ML2055-DSP-606-LC-RH
    Condition:
    New
    Product Type:
    Mortise Lock
    Function:
    Classroom
    Series:
    ML2000
    Finish:
    Satin Brass
    Trim:
    Lever
    Mount Type:
    Mortise
    • Overview
    • Warranty Information
    • Reviews

    Product Description

    ML2055-DSP-606-LC-RH Corbin Russwin ML2000 Series Mortise Classroom Locksets with Drike Lever in Satin Brass Finish

    The Corbin ML2055-DSP-606-LC-RH office function lock is designed to meet the rigors of high-traffic commercial, institutional, industrial and government applications. Further discourage intrusion and abuse with the ML2000HS (High Security) or ML2000VR (Vandal Resistant) series mortise lock. Both locks feature vandal resistant stainless steel escutcheons with tapered edges and Torx pin tamper resistant screws. When matched with Corbin Russwin patented high-security cylinders, any door can become a formidable barrier to intruders. The ML2000 series is ideal for offices, schools, hospitals, hotels and other high-use applications. This series are certified to ANSI/BHMA A156.13 Series 1000, operational and security Grade 1.

    Classroom: Latchbolt by grip either side, unless outside grip is locked by key outside. Latchbolt by key when outside grip locked. Outside grip remains locked unless unlocked by key.

    Features and Benefits:

    • Satin Brass finish
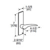
    • Strike: ANSI straight lip 4-7/8" x 1-1/4" x 1-1/8" lip to center
    • Latch bolt: 2-piece mechanical with anti-friction insert, 5/8"x1"x 3/4" throw
    • Backset: 2-3/4"
    • Handing: Right Handed
    • Single cylinder
    • Cylinder is not included
    • Drike lever trim (DSP)
    • Lever: Cast; Escutcheon: Wrought
    • Escutcheon: M Escutcheon (2-1/4" Wrought)
    • Door thickness: 1-3/4" (44mm) standard
    • Lockcase: Heavy-gauge steel, 5-7/8"x4"x15/16"

    Warranty Information

    10 years limited manufacturer's warranty

    Product Videos

    Custom Field

    Product Type Mortise Lock
    Function Classroom
    Series ML2000
    Finish Satin Brass
    Trim Lever
    Mount Type Mortise
    ×
    • Recommended
    • ML2055-DSP-606-RH Corbin Russwin ML2000 Series Mortise Classroom Locksets with Drike Lever in Satin Brass ML2055-DSP-606-RH Corbin Russwin ML2000 Series Mortise Classroom Locksets with Drike Lever in Satin Brass
      Quick view

      Corbin Russwin

      |

      sku: ML2055-DSP-606-RH

      ML2055-DSP-606-RH Corbin Russwin ML2000 Series Mortise Classroom Locksets with Drike Lever in Satin Brass

      MSRP: $1,546.00
      Was:
      Now: $1,022.74
      Add to Cart
    • ML2055-DSP-606-LC-LH Corbin Russwin ML2000 Series Mortise Classroom Locksets with Drike Lever in Satin Brass ML2055-DSP-606-LC-LH Corbin Russwin ML2000 Series Mortise Classroom Locksets with Drike Lever in Satin Brass
      Quick view

      Corbin Russwin

      |

      sku: ML2055-DSP-606-LC-LH

      ML2055-DSP-606-LC-LH Corbin Russwin ML2000 Series Mortise Classroom Locksets with Drike Lever in Satin Brass

      MSRP: $1,416.00
      Was:
      Now: $925.85
      Add to Cart
    • ML2056-DSP-606-LC-RH Corbin Russwin ML2000 Series Mortise Classroom Locksets with Drike Lever in Satin Brass ML2056-DSP-606-LC-RH Corbin Russwin ML2000 Series Mortise Classroom Locksets with Drike Lever in Satin Brass
      Quick view

      Corbin Russwin

      |

      sku: ML2056-DSP-606-LC-RH

      ML2056-DSP-606-LC-RH Corbin Russwin ML2000 Series Mortise Classroom Locksets with Drike Lever in Satin Brass

      MSRP: $1,416.00
      Was:
      Now: $925.85
      Add to Cart
    • ML2055-DSM-606-LC-RH Corbin Russwin ML2000 Series Mortise Classroom Locksets with Drike Lever in Satin Brass ML2055-DSM-606-LC-RH Corbin Russwin ML2000 Series Mortise Classroom Locksets with Drike Lever in Satin Brass
      Quick view

      Corbin Russwin

      |

      sku: ML2055-DSM-606-LC-RH

      ML2055-DSM-606-LC-RH Corbin Russwin ML2000 Series Mortise Classroom Locksets with Drike Lever in Satin Brass

      MSRP: $1,416.00
      Was:
      Now: $925.85
      Add to Cart
    • ML2055-DSN-606-LC-RH Corbin Russwin ML2000 Series Mortise Classroom Locksets with Drike Lever in Satin Brass ML2055-DSN-606-LC-RH Corbin Russwin ML2000 Series Mortise Classroom Locksets with Drike Lever in Satin Brass
      Quick view

      Corbin Russwin

      |

      sku: ML2055-DSN-606-LC-RH

      ML2055-DSN-606-LC-RH Corbin Russwin ML2000 Series Mortise Classroom Locksets with Drike Lever in Satin Brass

      MSRP: $1,416.00
      Was:
      Now: $925.85
      Add to Cart
    ×
    Categories
    • Locks
    • Electronics
    • Exit Devices
    • Hardware
    • Safes
    • Key Machine
    Information
    • About Us
    • Testimonials
    • Amazon Merch
    • Shop by Brand
    • Contact Us
    Customer Service
    • Shipping & Returns
    • Privacy Policy
    • Terms & Conditions
    • Login or Sign Up
    • Order Status
    Join Our Mailing List

    Sign up for our newsletter to receive specials and up to date product news and releases.

    • © Lock Depot Inc
    • | Sitemap